您好,欢迎进入格鲁夫机械设备制造有限公司官网!
减速机|丝杆升降机|减速电机|行业专用减速机|减速机配件|减速机厂|丝杆升降机厂|转向器厂

联系我们

邮箱:china@gelufu.com
电话:0312-6784766
在线咨询

减速电机

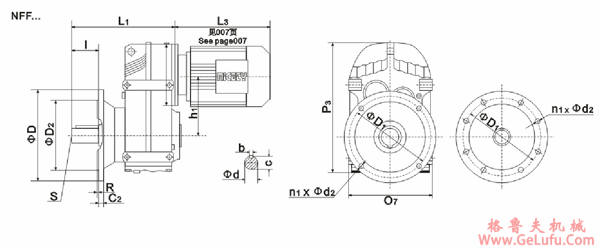
NFF37、NFF47、NFF57、NFF67、NFF77、NFF87、NFF97、NFF107、NFF127、NFF157、系列平行轴斜齿轮减速机安装尺寸

发布日期:2023-12-28 19:39 浏览次数:

NFF37、NFF47、NFF57、NFF67、NFF77、NFF87、NFF97、NFF107、NFF127、NFF157、系列平行轴斜齿轮减速机安装尺寸(图1) 格鲁夫齿轮箱

NFF37、NFF47、NFF57、NFF67、NFF77、NFF87、NFF97、NFF107、NFF127、NFF157、系列平行轴斜齿轮减速机安装尺寸(图2) www.gelufu.com.cn

型号
安装尺寸
轴伸尺寸
外形尺寸
D1
D2(j6)
R
n1
D2
h1
b
c
d(k6)
I
C2
P3
O7
S
g1
D
L1
NFF37
130
110
3.5
4
9
112
8
28
25
50
10
252
165
M10
120
160
190
NFF47
165
130
3.5
4
11
128.1
8
33
30
60
12
269
180
M10
120
200
222
NFF57
215
160
4
4
13.5
136
10
38
35
70
15
317
200
M12
160
250
243
NFF67
265
230
4
4
13.5
159.5
12
43
40
80
15
343
212
M16
160
250
275
NFF77
265
230
4
4
13.5
200
14
53.5
50
100
16
426
270
M16
200
300
331
NFF87
300
250
5
4
17.5
246.7
18
64
60
120
18
531
330
M20
250
350
379
NFF97
400
350
5
8
17.5
285
20
74.5
70
140
22
523
400
M20
300
450
454
NFF107
400
350
5
8
17.5
332.4
25
95
90
170
22
717
450
M24
450
550
637
NFF127
500
450
5
8
17.5
382.6
28
116
110
210
25
856
530
M24
450
550
637
NFF157
600
550
6
8
22
447
32
127
120
210
28
1021
660
M24
550
660
725
传真:0312-6784733

Copyright © 2023-2025 格鲁夫 版权所有 备案号:冀ICP备19023093号-2

电子营业执照图标 电子营业执照
选择语言
Hello,欢迎来咨询~