您好,欢迎进入格鲁夫机械设备制造有限公司官网!
减速机|丝杆升降机|减速电机|行业专用减速机|减速机配件|减速机厂|丝杆升降机厂|转向器厂

联系我们

邮箱:china@gelufu.com
电话:0312-6784766
在线咨询

蜗轮减速机

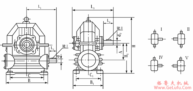
WXJ80、WXJ100、WXJ120、WXJ150、WXJ180圆柱蜗杆减速机外形尺寸、安装尺寸及装配型式

发布日期:2023-12-28 18:27 浏览次数:

WXJ80、WXJ100、WXJ120、WXJ150、WXJ180圆柱蜗杆减速机外形尺寸、安装尺寸及装配型式(图1)

mail:china@gelufu.com

WXJ外形尺寸、安装尺寸及装配型式 格鲁夫机械

WXJ80、WXJ100、WXJ120、WXJ150、WXJ180圆柱蜗杆减速机外形尺寸、安装尺寸及装配型式(图2) 邮箱:china@gelufu.com

型号
A
H1
H
B
B1
C
C1
4--Φ
L1
L2
L3
L4
d1
键I
d2
键II
WXJ80
80
160
285
210
160
145
115
4―Φ13
181
50
152
50
Φ22
6×40
Φ30
8×42
WXJ100
100
190
340
250
180
180
140
4―Φ18
191
50
176
65
Φ30
8×42
Φ40
12×55
WXJ120
120
220
380
275
200
200
150
4―Φ18
218
56
187
78
Φ30
8×50
Φ45
14×70
WXJ150
150
270
450
374
260
290
210
4―Φ24
277
65
227
90
Φ40
12×50
Φ55
16×80
WXJ180
180
320
540
420
320
300
260
4―Φ24
298
78
261
98
Φ45
14×68
Φ60
18×90

mail:china@gelufu.com

Copyright © 2023-2025 格鲁夫 版权所有 备案号:冀ICP备19023093号-2

电子营业执照图标 电子营业执照
选择语言
Hello,欢迎来咨询~