您好,欢迎进入格鲁夫机械设备制造有限公司官网!
减速机|丝杆升降机|减速电机|行业专用减速机|减速机配件|减速机厂|丝杆升降机厂|转向器厂

联系我们

邮箱:china@gelufu.com
电话:0312-6784766
地址:莲池区焦庄乡 在线咨询

减速电机

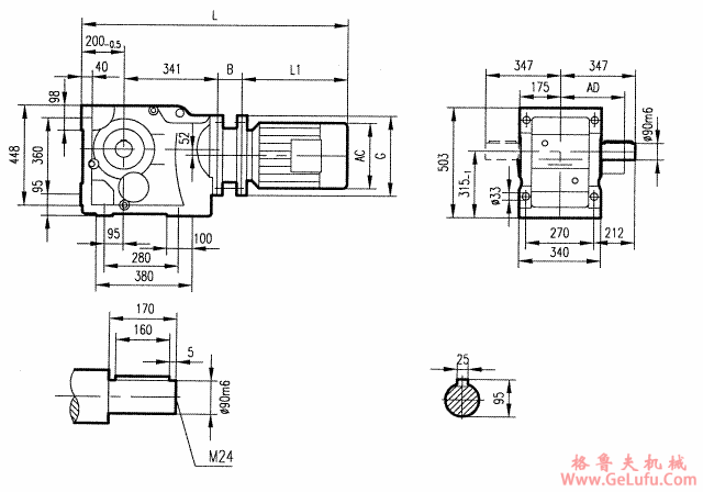
GK107型斜齿轮弧齿锥齿轮减速电机安装结构图尺寸

发布日期:2023-12-28 19:37 浏览次数:

GK107型斜齿轮弧齿锥齿轮减速电机安装结构图尺寸(图1) gelufu.com

GK107型斜齿轮弧齿锥齿轮减速电机安装结构图尺寸

格鲁夫丝杆升降机

GK107型斜齿轮弧齿锥齿轮减速电机安装结构图尺寸(图2)

传真:0312-6784733

法兰联接式(Y2标准电机)
电机机座号
100L
112M
132S
132M
160M
160L
180M
180L
200
225S
225M
AC
215
240
275
275
330
330
380
180
420
470
470
AD
180
190
210
210
255
350
280
280
305
335
335
B
68
68
106
106
126
126
126
126
140
170
170
G
250
250
300
300
350
350
350
350
400
450
450
L1
325
340
390
430
505
560
590
630
660
675
705
L
934
949
1037
1077
1172
1227
1257
1297
1341
1386
1416

Copyright © 2023-2025 格鲁夫 版权所有 备案号:冀ICP备19023093号-2

电子营业执照图标 电子营业执照