您好,欢迎进入格鲁夫机械设备制造有限公司官网!
减速机|丝杆升降机|减速电机|行业专用减速机|减速机配件|减速机厂|丝杆升降机厂|转向器厂

联系我们

邮箱:china@gelufu.com
电话:0312-6784766
地址:莲池区焦庄乡 在线咨询

减速电机

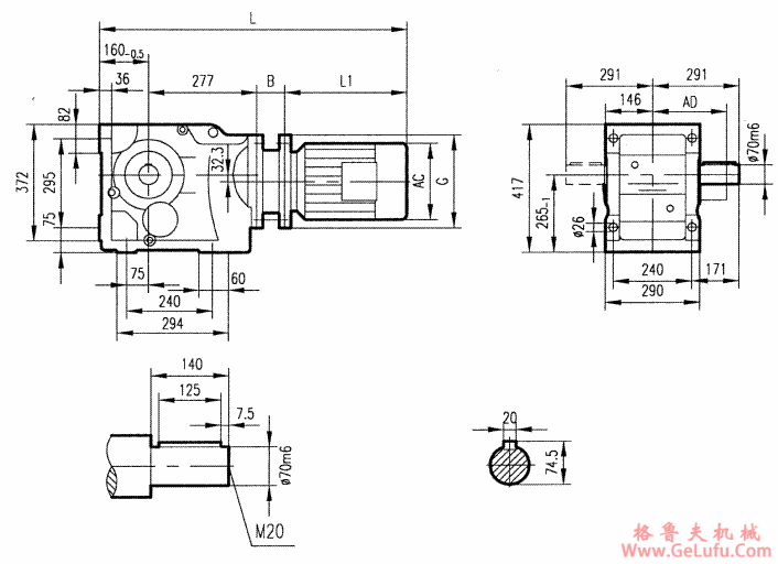
GK97型斜齿轮弧齿锥齿轮减速电机安装结构图尺寸

发布日期:2023-12-28 19:37 浏览次数:

GK97型斜齿轮弧齿锥齿轮减速电机安装结构图尺寸(图1)

QQ:20275456

GK97型斜齿轮弧齿锥齿轮减速电机安装结构图尺寸

fax:0312-6784733

GK97型斜齿轮弧齿锥齿轮减速电机安装结构图尺寸(图2)

www.gelufu.com.cn

法兰联接式(Y2标准电机)
电机机座号
90S
90L
100L
112M
132S
132M
160M
160L
180M
180L
200
AC
195
195
215
240
275
275
330
330
380
380
420
AD
155
155
180
190
210
210
255
255
280
280
305
B
65
65
81.5
81.5
92
92
125
125
125
125
152
G
200
200
250
250
300
300
350
350
350
350
400
L1
270
295
325
340
390
430
505
560
590
630
660
L
772
797
843.5
858.5
919
959
1067
1122
1152
1192
1249

Copyright © 2023-2025 格鲁夫 版权所有 备案号:冀ICP备19023093号-2

电子营业执照图标 电子营业执照