您好,欢迎进入格鲁夫机械设备制造有限公司官网!
减速机|丝杆升降机|减速电机|行业专用减速机|减速机配件|减速机厂|丝杆升降机厂|转向器厂

联系我们

邮箱:china@gelufu.com
电话:0312-6784766
地址:莲池区焦庄乡 在线咨询

减速电机

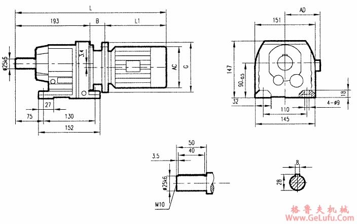
GR27系列斜齿轮减速电机安装结构尺寸

发布日期:2023-12-28 19:37 浏览次数:

GR27系列斜齿轮减速电机安装结构尺寸(图1)

gelufu.com.cn

GR27系列斜齿轮减速电机安装结构尺寸

gelufu.com

GR27系列斜齿轮减速电机安装结构尺寸(图2) www.gelufu.com.cn

GR27安装结构尺寸

电机机座号
63
71
80
90S
90L
100L
AC
130
145
175
195
195
215
AD
70
80
145
155
155
180
B
45
50.5
60.5
60.5
60.5
85.5
G
140
160
200
200
200
250
L1
207
225
255
270
295
325
L
445
468.5
508.5
523.5
548.5
603.5
注:机座80,90,100L超过底座。

Copyright © 2023-2025 格鲁夫 版权所有 备案号:冀ICP备19023093号-2

电子营业执照图标 电子营业执照