您好,欢迎进入格鲁夫机械设备制造有限公司官网!
减速机|丝杆升降机|减速电机|行业专用减速机|减速机配件|减速机厂|丝杆升降机厂|转向器厂

联系我们

邮箱:china@gelufu.com
电话:0312-6784766
在线咨询

减速电机

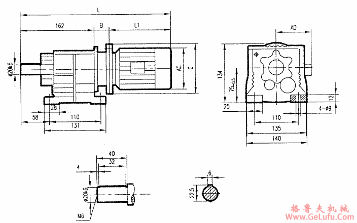
GR17系列斜齿轮减速电机安装结构尺寸

发布日期:2023-12-28 19:37 浏览次数:

GR17系列斜齿轮减速电机安装结构尺寸(图1) 邮箱:china@gelufu.com

GR17系列斜齿轮减速电机安装结构尺寸 Tel:0312-6784766

GR17系列斜齿轮减速电机安装结构尺寸(图2) QQ:20275456

GR17安装结构尺寸

电机机座号
63
71
80
AC
130
145
175
AD
70
80
145
B
45
50.5
60.5
G
140
160
200
L1
207
225
255
L
414
437.5
477.5

电话:0312-6784766

注:机座71,80超过底座。

Copyright © 2023-2025 格鲁夫 版权所有 备案号:冀ICP备19023093号-2

电子营业执照图标 电子营业执照
选择语言
Hello,欢迎来咨询~