您好,欢迎进入格鲁夫机械设备制造有限公司官网!
减速机|丝杆升降机|减速电机|行业专用减速机|减速机配件|减速机厂|丝杆升降机厂|转向器厂

联系我们

邮箱:china@gelufu.com
电话:0312-6784766
在线咨询

减速电机

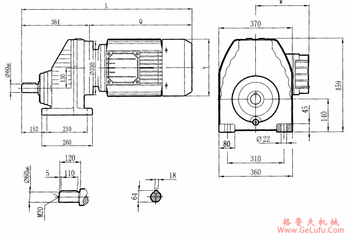
RCX107..型硬齿轮减速机安装尺寸图

发布日期:2023-12-28 19:35 浏览次数:

RCX107..型硬齿轮减速机安装尺寸图(图1) gelufu

RCX107..型硬齿轮减速机安装尺寸图 格鲁夫丝杆升降机

RCX107..型硬齿轮减速机安装尺寸图(图2)

手机:13331225020

Y100..
Y112M..
Y132S..
Y132M..
Y160M..
Y160L..
Y180M..
Y180L..
Y200..
Y225S..
Y225M..
Y
194
226
266
266
320
320
362
362
400
452
452
W
145
190
210
210
255
255
285
285
310
345
345
L
702
714
769
809
864
909
934
974
1039
1054
1079
Q
338
350
405
445
500
545
570
610
675
690
715

www.gelufu.com

Copyright © 2023-2025 格鲁夫 版权所有 备案号:冀ICP备19023093号-2

电子营业执照图标 电子营业执照
选择语言
Hello,欢迎来咨询~