您好,欢迎进入格鲁夫机械设备制造有限公司官网!
减速机|丝杆升降机|减速电机|行业专用减速机|减速机配件|减速机厂|丝杆升降机厂|转向器厂

联系我们

邮箱:china@gelufu.com
电话:0312-6784766
地址:莲池区焦庄乡 在线咨询

减速电机

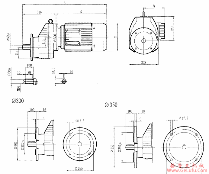
RCXF97..型硬齿轮减速机安装尺寸图

发布日期:2023-12-28 19:35 浏览次数:

RCXF97..型硬齿轮减速机安装尺寸图(图1) gelufu

RCXF97..型硬齿轮减速机安装尺寸图 QQ:47447450

RCXF97..型硬齿轮减速机安装尺寸图(图2)

fax:0312-6784733

YS80..
Y90..
Y100..
Y112M..
Y132S..
Y132M..
Y160M..
Y160L..
Y180M..
Y160L
Y200
Y
156
169
194
226
266
266
320
320
362
362
400
W
118
128
145
190
210
210
255
255
285
285
310
L
563
612
655
666
721
761
816
861
886
926
991
Q
247
296
339
350
405
445
500
545
570
610
675
邮箱:china@gelufu.com

Copyright © 2023-2025 格鲁夫 版权所有 备案号:冀ICP备19023093号-2

电子营业执照图标 电子营业执照