您好,欢迎进入格鲁夫机械设备制造有限公司官网!
减速机|丝杆升降机|减速电机|行业专用减速机|减速机配件|减速机厂|丝杆升降机厂|转向器厂

联系我们

邮箱:china@gelufu.com
电话:0312-6784766
在线咨询

减速电机

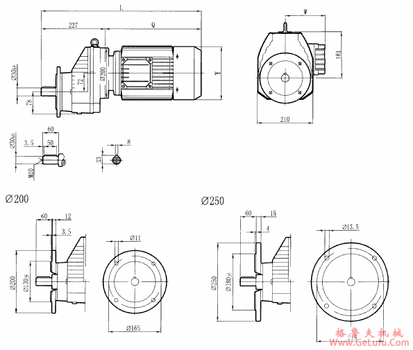
RCXF77..型硬齿轮减速机安装尺寸图

发布日期:2023-12-28 19:35 浏览次数:

RCXF77..型硬齿轮减速机安装尺寸图(图1)

格鲁夫丝杆升降机

RCXF77..型硬齿轮减速机安装尺寸图 邮箱:china@gelufu.com

RCXF77..型硬齿轮减速机安装尺寸图(图2)

www.gelufu.com

YS63..
YS71..
YS80..
Y90..
Y100..
Y112M
Y132S..
Y132M..
Y160M..
Y
122
137
156
169
194
226
266
266
266
W
95
108
118
128
145
190
210
210
210
L
433
450
478
526
573
577
632
672
727
Q
206
223
251
299
346
350
405
445
500
gelufu

Copyright © 2023-2025 格鲁夫 版权所有 备案号:冀ICP备19023093号-2

电子营业执照图标 电子营业执照
选择语言
Hello,欢迎来咨询~