您好,欢迎进入格鲁夫机械设备制造有限公司官网!
减速机|丝杆升降机|减速电机|行业专用减速机|减速机配件|减速机厂|丝杆升降机厂|转向器厂

联系我们

邮箱:china@gelufu.com
电话:0312-6784766
地址:莲池区焦庄乡 在线咨询

减速电机

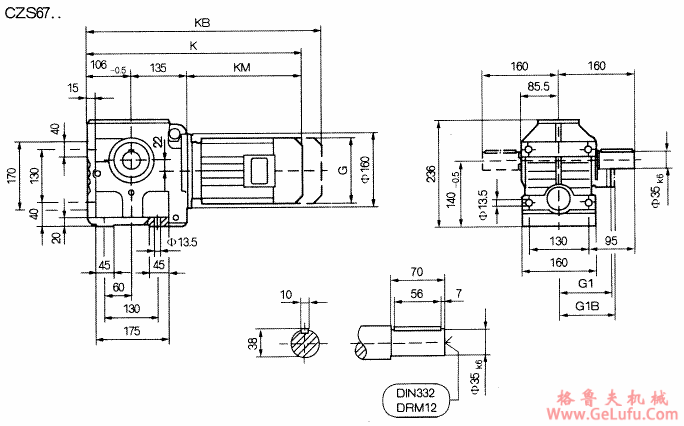
CZS67..型斜齿轮蜗杆减速机的安装尺寸

发布日期:2023-12-28 19:35 浏览次数:

CZS67..型斜齿轮蜗杆减速机的安装尺寸(图1) gelufu.com.cn

CZS67..型斜齿轮蜗杆减速机的安装尺寸

格鲁夫配件

CZS67..型斜齿轮蜗杆减速机的安装尺寸(图2) fax:0312-6784733

78
DR63..
DT71D
DT80..
DT90..
DV100M
DV100L
DV112M
DV132S
G(AC)
132
145
145
197
197
197
221
221
G1(AD)
99
122
122
154
166
166
176
176
G1B
99
127
127
161
166
166
182
182
K
426
440
490
510
560
590
595
643
KB
481
504
554
595
645
675
675
723
KM(LB)
185
199
249
269
319
349
354
402
邮箱:china@gelufu.com

Copyright © 2023-2025 格鲁夫 版权所有 备案号:冀ICP备19023093号-2

电子营业执照图标 电子营业执照