您好,欢迎进入格鲁夫机械设备制造有限公司官网!
减速机|丝杆升降机|减速电机|行业专用减速机|减速机配件|减速机厂|丝杆升降机厂|转向器厂

联系我们

邮箱:china@gelufu.com
电话:0312-6784766
在线咨询

减速电机

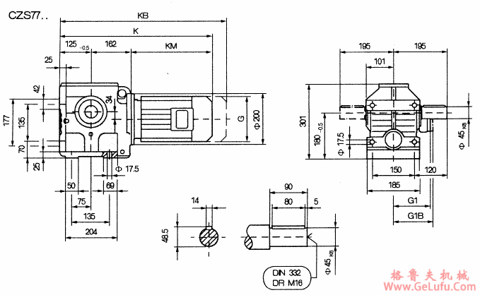
CZS77..型斜齿轮蜗杆减速机的安装尺寸

发布日期:2023-12-28 19:35 浏览次数:

CZS77..型斜齿轮蜗杆减速机的安装尺寸(图1) Mobile:13331225020

CZS77..型斜齿轮蜗杆减速机的安装尺寸 fax:0312-6784733

CZS77..型斜齿轮蜗杆减速机的安装尺寸(图2) 手机:13331225020

78
DR63..
DT71D
DT80..
DT90..
DV100M
DV100L
DV112M
DV132S
DV132M
DV132ML
G(AC)
132
145
145
197
197
197
221
221
275
275
G1(AD)
99
122
122
154
166
166
176
176
230
230
G1B
99
127
127
161
166
166
182
182
230
230
K
466
480
530
548
598
628
632
677
699
759
KB
521
544
594
633
683
713
712
757
811
871
KM(LB)
179
193
243
261
311
341
345
390
412
472

Copyright © 2023-2025 格鲁夫 版权所有 备案号:冀ICP备19023093号-2

电子营业执照图标 电子营业执照
选择语言
Hello,欢迎来咨询~