您好,欢迎进入格鲁夫机械设备制造有限公司官网!
减速机|丝杆升降机|减速电机|行业专用减速机|减速机配件|减速机厂|丝杆升降机厂|转向器厂

联系我们

邮箱:china@gelufu.com
电话:0312-6784766
在线咨询

减速电机

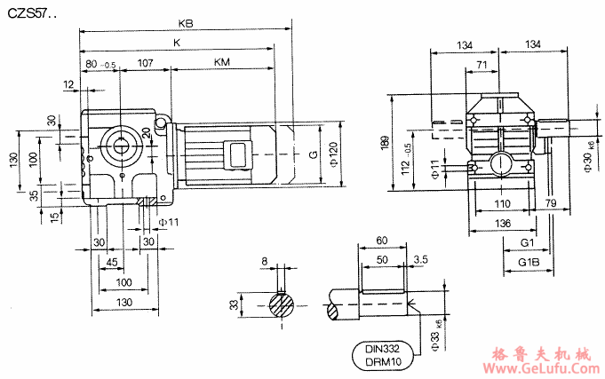
CZS57..型斜齿轮蜗杆减速机的安装尺寸

发布日期:2023-12-28 19:35 浏览次数:

CZS57..型斜齿轮蜗杆减速机的安装尺寸(图1)

电话:0312-6784766

CZS57..型斜齿轮蜗杆减速机的安装尺寸 mail:china@gelufu.com

CZS57..型斜齿轮蜗杆减速机的安装尺寸(图2) gelufu

78
DR63..
DT71D
DT80..
DT90..
DV100M
DV100L
G(AC)
132
145
145
197
197
197
G1(AD)
99
122
122
154
166
166
G1B
99
127
127
161
166
166
K
378
393
433
463
515
545
KB
433
457
507
548
600
630
KM(LB)
191
206
256
276
328
358

传真:0312-6784733

Copyright © 2023-2025 格鲁夫 版权所有 备案号:冀ICP备19023093号-2

电子营业执照图标 电子营业执照
选择语言
Hello,欢迎来咨询~