gelufu.com

|
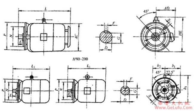
机座号 |
A |
B |
C |
D |
E |
F |
G |
H |
K |
b |
b1 |
b2 |
h |
L1 |
|
80 |
125 |
100 |
50 |
19 |
40 |
6 |
15.5 |
80 |
φ10 |
160 |
150 |
85 |
170 |
285 |
|
90S |
140 |
100 |
56 |
24 |
50 |
8 |
20 |
90 |
φ10 |
180 |
155 |
90 |
190 |
310 |
|
90L |
140 |
125 |
56 |
24 |
50 |
8 |
20 |
90 |
φ10 |
180 |
155 |
90 |
190 |
335 |
|
100L |
160 |
140 |
63 |
28 |
60 |
8 |
24 |
100 |
φ12 |
205 |
180 |
105 |
245 |
380 |
|
112M |
190 |
140 |
70 |
28 |
60 |
8 |
24 |
112 |
φ12 |
245 |
190 |
115 |
265 |
400 |
|
132S |
216 |
140 |
89 |
38 |
80 |
10 |
33 |
132 |
φ12 |
280 |
210 |
135 |
315 |
475 |
|
132M |
216 |
178 |
89 |
38 |
80 |
10 |
33 |
132 |
φ12 |
280 |
210 |
135 |
315 |
515 |
|
160M |
254 |
210 |
108 |
42 |
110 |
12 |
37 |
160 |
φ15 |
325 |
255 |
165 |
385 |
600 |
|
160L |
254 |
254 |
108 |
42 |
110 |
12 |
37 |
160 |
φ15 |
325 |
255 |
165 |
385 |
645 |

|
机座号 |
D |
E |
F |
G |
M |
N |
P |
S |
凸缘孔数 |
b1 |
b2 |
h1 |
L1 |
AC |
AD |
HE |
L |
|
80
90S
90L
100L
112M
132S
132M
160M
160L |
19
24
24
28
28
38
38
42
42 |
40
50
50
60
60
80
80
110
110 |
6
8
8
8
8
10
10
12
12 |
15.5
20
20
24
24
33
33
37
37 |
165
165
165
215
215
265
265
300
300 |
130
130
130
180
180
230
230
250
250 |
200
200
200
250
250
300
300
350
350 |
12
12
12
15
15
15
15
19
19 |
4
4
4
4
4
4
4
4
4 |
150
150
155
180
190
210
210
255
255 |
105
105
105
130
130
155
155
180
180 |
185
195
195
245
265
315
315
385
385 |
285
310
335
380
400
475
515
600
645 |
-
175
175
205
230
270
270
-
- |
-
155
155
180
190
210
210
-
- |
-
195
195
245
265
315
315
-
- |
-
370
400
405
425
505
545
-
- |