您好,欢迎进入格鲁夫机械设备制造有限公司官网!
减速机|丝杆升降机|减速电机|行业专用减速机|减速机配件|减速机厂|丝杆升降机厂|转向器厂

联系我们

邮箱:china@gelufu.com
电话:0312-6784766
在线咨询

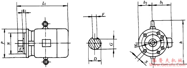
JQLX系列轮胎硫化机用异步电动机外形及安装尺寸

发布日期:2023-12-28 21:03 浏览次数:

JQLX系列轮胎硫化机用异步电动机外形及安装尺寸(图1) 邮箱:china@gelufu.com

Mobile:13331225020

JQLX系列轮胎硫化机用异步电动机外形及安装尺寸

格鲁夫

JQLX系列轮胎硫化机用异步电动机外形及安装尺寸(图2)

格鲁夫机械

机座号
D
E
F
G
M
N
P
S
凸缘中孔数n
b1
b2
h
L1
21-6
32
50
10
26.8
265
230
300
15
4
210
140
310
512
22-6
550
23-6
550
31-6
42
40
12
36.8
300
250
19
4
330
180
480
480
635
32-6
675
41-8
48
60
14
42.2
400
350
450
19
8
335
230
560
735
42-8
760

Tel:0312-6784766

Copyright © 2023-2025 格鲁夫 版权所有 备案号:冀ICP备19023093号-2

电子营业执照图标 电子营业执照
选择语言
Hello,欢迎来咨询~