www.gelufu.com.cn
格鲁夫配件

|
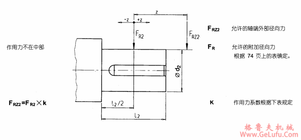
作用力系数 K | |||||||||||||||
|
规格 |
距离z,mm | ||||||||||||||
|
-200 |
-150 |
-100 |
-75 |
-50 |
-25 |
0 |
25 |
50 |
75 |
100 |
150 |
200 |
250 |
300 | |
|
1 |
|
|
|
|
|
1.1 |
1.00 |
0.81 |
0.68 |
0.58 |
0.51 |
|
|
|
|
|
2 |
|
|
|
|
|
1.11 |
1.00 |
0.83 |
0.71 |
0.63 |
0.56 |
|
|
|
|
|
3 |
|
|
|
|
1.21 |
1.09 |
1.00 |
0.85 |
0.74 |
0.65 |
0.58 |
0.48 |
|
|
|
|
4 |
|
|
|
|
1.17 |
1.08 |
1.00 |
0.86 |
0.76 |
0.68 |
0.62 |
0.52 |
0.44 |
|
|
|
5+6 |
|
|
|
1.22 |
1.14 |
1.06 |
1.00 |
0.88 |
0.79 |
0.72 |
0.66 |
0.56 |
0.49 |
0.43 |
|
|
7+8 |
|
|
|
1.19 |
1.12 |
1.06 |
1.00 |
0.89 |
0.81 |
0.74 |
0.68 |
0.58 |
0.51 |
0.46 |
0.41 |
|
9+10 |
|
|
1.22 |
1.15 |
1.10 |
1.05 |
1.00 |
0.90 |
0.82 |
0.76 |
0.70 |
0.61 |
0.54 |
0.48 |
0.44 |
|
11+12 |
|
|
1.18 |
1.13 |
1.08 |
1.04 |
1.00 |
0.91 |
0.84 |
0.78 |
0.73 |
0.64 |
0.57 |
0.51 |
0.47 |
|
13+14 |
|
1.24 |
1.15 |
1.11 |
1.07 |
1.03 |
1.00 |
0.92 |
0.86 |
0.80 |
0.75 |
0.67 |
0.60 |
0.55 |
0.50 |
|
15+16 |
|
1.20 |
1.12 |
1.09 |
1.06 |
1.03 |
1.00 |
0.93 |
0.87 |
0.82 |
0.77 |
0.69 |
0.63 |
0.58 |
0.53 |
|
17+18 |
1.25 |
1.17 |
1.11 |
1.08 |
1.05 |
1.03 |
1.00 |
0.94 |
0.88 |
0.84 |
0.79 |
0.72 |
0.66 |
0.60 |
0.56 |