mail:china@gelufu.com
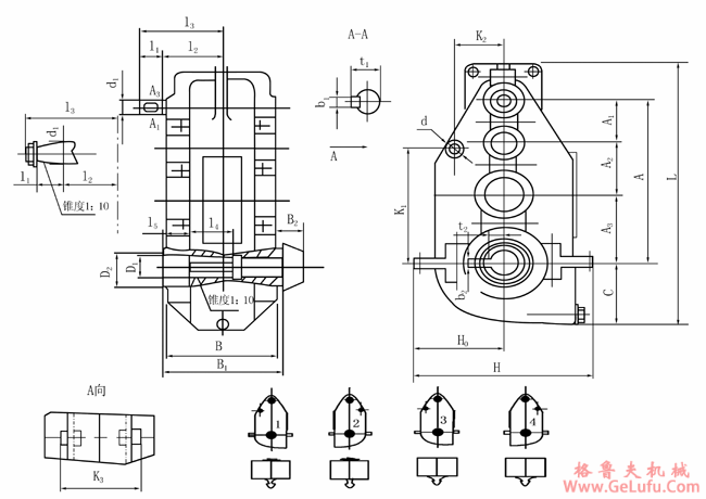
ZSC(A)减速机外形及安装尺寸
Mobile:13331225020
gelufu.com.cn
|
减速器
型号 |
中心距 |
H0
|
轮廓尺寸 |
B2 |
C |
安装尺寸 |
重量 | ||||||||
|
d |
k1 |
k2 |
k3 |
kg | |||||||||||
|
A |
A1 |
A2 |
A3 |
L |
B |
H | |||||||||
|
ZSC320 |
320 |
84 |
106 |
130 |
150 |
525 |
175 |
300 |
65 |
120 |
25 |
240 |
90 |
120 |
63 |
|
ZSC400 |
400 |
105 |
130 |
165 |
182.5 |
650 |
210 |
365 |
60 |
155 |
25 |
350 |
110 |
130 |
114 |
|
ZSC500 |
500 |
100 |
150 |
250 |
255 |
822 |
285 |
510 |
81 |
225 |
28 |
400 |
140 |
205 |
254 |
|
ZSC600 |
600 |
150 |
200 |
250 |
265 |
955 |
312 |
530 |
98 |
235 |
28 |
420 |
180 |
312 |
273 |
|
ZSC650 |
650 |
150 |
200 |
300 |
307 |
1060 |
360 |
614 |
82 |
277 |
32 |
470 |
200 |
270 |
435 |
|
ZSC800 |
800 |
200 |
250 |
350 |
400 |
340 |
450 |
800 |
87 |
340 |
40 |
600 |
285 |
305 |
866 |
|
减速器
型号 |
轴端尺寸 | ||||||||||||
|
主动轴 |
被动轴 | ||||||||||||
|
d1 |
l1 |
l2 |
l3 |
b1 |
t1 |
D1 |
D2 |
l4 |
l5 |
B1 |
b2 |
t2 | |
|
ZSC320 |
22 |
55 |
105 |
160 |
60
-0.036 |
24.5 |
44.5 |
65 |
85 |
50 |
200 |
14
-0.043 |
24.7 |
|
ZSC400 |
30(s6) |
55 |
115 |
170 |
8
0
-0.036 |
33 |
64.5 |
75 |
105 |
60 |
230 |
18
0
-0.036 |
35.6 |
|
ZSC500 |
35 |
61 |
152.5 |
232.5 |
10
0
-0.036 |
19.5 |
79.5 |
95 |
130 |
65 |
303 |
24
0
-0.052 |
44.2 |
|
ZSC600 |
40 |
84 |
160 |
265 |
12
0
-0.036 |
21.5 |
89.5 |
98 |
130 |
140 |
330 |
24
0
-0.052 |
46.7 |
|
ZSC650 |
40 |
85 |
185 |
295 |
12
0
-0.043 |
21.5 |
99.5 |
112 |
165 |
65 |
380 |
28
0
-0.052 |
54.2 |
|
ZSC800 |
50 |
85 |
265 |
375 |
16
0
-0.043 |
28 |
119.5 |
136 |
165 |
95 |
470 |
32
0
-0.052 |
65.2 |