WX:grove_company
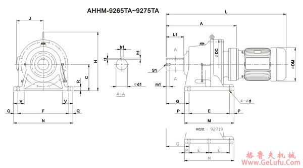
ADC系列摆线减速机尺寸图表AHHM-9265TA~9275TA
gelufu.com.cn
Mobile:13331225020
|
AHHM-9265TA~9275TA 尺寸图表 | ||||||||||||||||||||
|
AHHM |
A |
C |
DC |
E |
F |
G |
M |
N |
P |
Q |
R |
V |
d |
输出轴尺寸 | ||||||
|
d1 |
L1 |
b1 |
h1 |
t1 |
S1 |
m1 | ||||||||||||||
|
9265TA |
1088 |
400 |
736 |
590 |
770 |
390 |
702 |
882 |
56 |
56 |
55 |
160 |
45 |
170 |
300 |
40 |
22 |
13 |
M30 |
49 |
|
9275TA |
1349 |
540 |
950 |
420 |
1050 |
485 |
1040 |
1162 |
100 |
56 |
60 |
200 |
45 |
180 |
330 |
45 |
25 |
15 |
M30 |
52 |
|
型号 |
电机 |
L |
J |
DM |
H |
W(KG) | ||
|
KW |
HP |
极数 | ||||||
|
AHHM8 -9265TA-Ratio |
5.5 |
7.5 |
4 |
1475 |
224 |
273 |
874 |
1252 |
|
AHHM10 -9265TA-Ratio |
7.5 |
10 |
4 |
1512 |
224 |
273 |
874 |
1264 |
|
AHHM15 -9265TA-Ratio |
11 |
15 |
4 |
1588 |
262 |
334 |
874 |
1394 |
|
AHHM20 -9265TA-Ratio |
15 |
20 |
4 |
1632 |
262 |
334 |
874 |
1445 |
|
AHHM25 -9265TA-Ratio |
18.5 |
25 |
4 |
1650 |
306 |
382 |
874 |
1520 |
|
AHHM30 -9265TA-Ratio |
22 |
30 |
4 |
1650 |
306 |
382 |
874 |
1520 |
|
AHHM40 -9265TA-Ratio |
30 |
40 |
4 |
1688 |
306 |
382 |
874 |
1535 |
|
AHHM50 -9265TA-Ratio |
37 |
50 |
4 |
1750 |
340 |
420 |
874 |
1570 |
|
AHHM8 -9275TA-Ratio |
5.5 |
7.5 |
4 |
1735 |
224 |
273 |
1162 |
2502 |
|
AHHM10 -9275TA-Ratio |
7.5 |
10 |
4 |
1774 |
224 |
273 |
1162 |
2535 |
|
AHHM15-9275TA-Ratio |
11 |
15 |
4 |
1848 |
262 |
334 |
1162 |
2530 |
|
AHHM20 -9275TA-Ratio |
15 |
20 |
4 |
1892 |
262 |
334 |
1162 |
2580 |
|
AHHM25 -9275TA-Ratio |
18.5 |
25 |
4 |
1912 |
306 |
382 |
1162 |
2655 |
|
AHHM30 -9275TA-Ratio |
22 |
30 |
4 |
1912 |
306 |
382 |
1162 |
2655 |
|
AHHM40 -9275TA-Ratio |
30 |
40 |
4 |
1950 |
306 |
382 |
1162 |
2670 |
|
AHHM50 -9275TA-Ratio |
37 |
50 |
4 |
2012 |
340 |
420 |
1162 |
2705 |