Mobile:13331225020
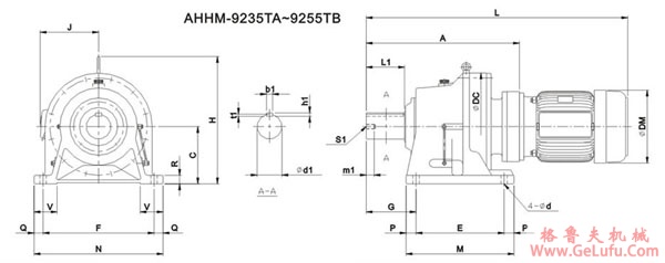
ADC系列摆线减速机尺寸图表AHHM-9235~9255TB Tel:0312-6784766
fax:0312-6784733
|
AHHM-9235~9255TB尺寸图表 | ||||||||||||||||||||
|
AHHM |
A |
C |
DC |
E |
F |
G |
M |
N |
P |
Q |
R |
V |
d |
输出轴尺寸 | ||||||
|
d1 |
L1 |
b1 |
h1 |
t1 |
S1 |
m1 | ||||||||||||||
|
9235TA |
778 |
300 |
562 |
460 |
580 |
260 |
562 |
672 |
51 |
46 |
46 |
120 |
33 |
130 |
200 |
32 |
18 |
11 |
M24 |
41 |
|
9235TB |
800 |
300 |
562 |
460 |
580 |
260 |
562 |
672 |
51 |
46 |
46 |
120 |
33 |
130 |
200 |
32 |
18 |
11 |
M24 |
41 |
|
9245TA |
816 |
335 |
614 |
480 |
630 |
263 |
582 |
722 |
51 |
46 |
46 |
130 |
39 |
140 |
200 |
36 |
20 |
12 |
M24 |
41 |
|
9245TB |
837 |
335 |
614 |
480 |
630 |
263 |
582 |
722 |
51 |
46 |
46 |
130 |
39 |
140 |
200 |
36 |
20 |
12 |
M24 |
41 |
|
9255TA |
956 |
375 |
670 |
520 |
670 |
320 |
632 |
782 |
56 |
56 |
50 |
140 |
39 |
160 |
240 |
40 |
22 |
13 |
M30 |
49 |
|
9255TB |
978 |
375 |
670 |
520 |
670 |
320 |
632 |
782 |
56 |
56 |
50 |
140 |
39 |
160 |
240 |
40 |
22 |
13 |
M30 |
49 |
|
型号 |
电机 |
L |
J |
DM |
H |
W(KG) | ||
|
KW |
HP |
极数 | ||||||
|
AHHM3-9235TA-Ratio |
2.2 |
3 |
4 |
1093 |
174 |
219 |
667 |
566 |
|
AHHM5-9235TA-Ratio |
3.7 |
5 |
4 |
1112 |
188 |
238 |
667 |
588 |
|
AHHM8-9235TA-Ratio |
5.5 |
7.5 |
4 |
1146 |
219 |
273 |
667 |
596 |
|
AHHM10-9235TA-Ratio |
7.5 |
10 |
4 |
1184 |
224 |
273 |
667 |
608 |
|
AHHM15-9235TA-Ratio |
11 |
15 |
4 |
1270 |
258 |
334 |
667 |
642 |
|
AHHM20-9235TA-Ratio |
15 |
20 |
4 |
1315 |
258 |
334 |
667 |
662 |
|
AHHM10-9235TB-Ratio |
7.5 |
10 |
4 |
1228 |
224 |
273 |
667 |
610 |
|
AHHM15-9235TB-Ratio |
11 |
15 |
4 |
1296 |
258 |
334 |
667 |
695 |
|
AHHM20-9235TB-Ratio |
15 |
20 |
4 |
1338 |
258 |
334 |
667 |
700 |
|
AHHM25-9235TB-Ratio |
18.5 |
25 |
4 |
1362 |
306 |
382 |
667 |
762 |
|
AHHM30-9235TB-Ratio |
22 |
30 |
4 |
1362 |
306 |
382 |
667 |
762 |
|
AHHM3-9245TA-Ratio |
2.2 |
3 |
4 |
1130 |
174 |
219 |
729 |
677 |
|
AHHM5-9245TA-Ratio |
3.7 |
5 |
4 |
1150 |
188 |
238 |
729 |
688 |
|
AHHM8-9245TA-Ratio |
5.5 |
7.5 |
4 |
1185 |
219 |
273 |
729 |
705 |
|
AHHM10-9245TA-Ratio |
7.5 |
10 |
4 |
1222 |
224 |
273 |
729 |
720 |
|
AHHM15-9245TA-Ratio |
11 |
15 |
4 |
1310 |
258 |
334 |
729 |
750 |
|
AHHM20-9245TA-Ratio |
15 |
20 |
4 |
1353 |
258 |
334 |
729 |
770 |
|
AHHM10-9245TB-Ratio |
7.5 |
10 |
4 |
1265 |
224 |
273 |
729 |
706 |
|
AHHM15-9245TB-Ratio |
11 |
15 |
4 |
1333 |
258 |
334 |
729 |
740 |
|
AHHM20-9245TB-Ratio |
15 |
20 |
4 |
1377 |
258 |
334 |
729 |
800 |
|
AHHM25-9245TB-Ratio |
18.5 |
25 |
4 |
1400 |
306 |
382 |
729 |
864 |
|
AHHM30-9245TB-Ratio |
22 |
30 |
4 |
1400 |
306 |
382 |
729 |
864 |
|
AHHM5-9255TA-Ratio |
3.7 |
5 |
4 |
1302 |
188 |
238 |
815 |
1056 |
|
AHHM8-9255TA-Ratio |
5.5 |
7.5 |
4 |
1336 |
219 |
273 |
815 |
1072 |
|
AHHM10-9255TA-Ratio |
7.5 |
10 |
4 |
1374 |
224 |
273 |
815 |
1085 |
|
AHHM15-9255TA-Ratio |
11 |
15 |
4 |
1450 |
258 |
334 |
815 |
1105 |
|
AHHM20-9255TA-Ratio |
15 |
20 |
4 |
1494 |
258 |
334 |
815 |
1122 |
|
AHHM25-9255TA-Ratio |
18.5 |
25 |
4 |
1518 |
306 |
382 |
815 |
1192 |
|
AHHM30-9255TA-Ratio |
22 |
30 |
4 |
1518 |
306 |
382 |
815 |
1192 |
|
AHHM10-9255TB-Ratio |
7.5 |
10 |
4 |
1402 |
224 |
273 |
815 |
1082 |
|
AHHM15-9255TB-Ratio |
11 |
15 |
4 |
1477 |
258 |
334 |
815 |
1140 |
|
AHHM20-9255TB-Ratio |
15 |
20 |
4 |
1522 |
258 |
334 |
815 |
1192 |
|
AHHM25-9255TB-Ratio |
18.5 |
25 |
4 |
1540 |
306 |
382 |
815 |
1265 |
|
AHHM30-9255TB-Ratio |
22 |
30 |
4 |
1540 |
306 |
382 |
815 |
1265 |
|
AHHM40-9255TB-Ratio |
30 |
40 |
4 |
1578 |
306 |
382 |
815 |
1282 |