gelufu.com.cn
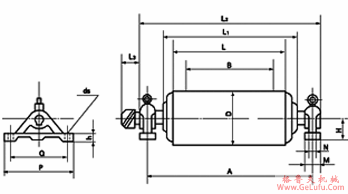
YZ型油冷、油浸式摆线针轮电动滚筒的外形安装尺寸 www.gelufu.com
格鲁夫机械
|
D |
B |
A |
L |
L1 |
L2 |
H |
M |
N |
P |
Q |
ds |
h |
L3 |
|
315
(320) |
500 |
850 |
600 |
≤732 |
940 |
120 |
90 |
- |
340 |
280 |
27 |
35 |
95 |
|
650 |
1000 |
750 |
≤882 |
1090 | |||||||||
|
800 |
1300 |
950 |
≤1032 |
1390 | |||||||||
|
400 |
500 |
850 |
600 |
≤744 |
940 |
120 |
90 |
_ |
340 |
280 |
27 |
35 |
95 |
|
650 |
1000 |
750 |
≤894 |
1090 | |||||||||
|
800 |
1300 |
950 |
≤1044 |
1390 | |||||||||
|
500 |
500 |
850 |
600/620 |
≤748 |
960 |
100 |
07 |
_ |
340 |
280 |
27 |
35 |
115 |
|
650 |
1000 |
750 |
≤900 |
1120 |
120 |
90 | |||||||
|
800 |
1300 |
950 |
≤1100 |
1420 |
120 |
90 | |||||||
|
630 |
650 |
1000 |
750 |
≤868 |
1120 |
120 |
90 |
_ |
340 |
280 |
27 |
35 |
≤140 |
|
800 |
1300 |
950 |
≤1068 |
1430 |
140 |
130 |
80 |
400 |
330 |
27 |
35 | ||
|
1000 |
1500 |
1150 |
≤1268 |
1630 |
140 |
130 |
80 |
400 |
330 |
27 |
35 | ||
|
1200 |
1750 |
1400 |
≤1514 |
1900 |
160 |
160 |
90 |
440 |
360 |
34 |
50 | ||
|
1400 |
2000 |
1600 |
≤1720 |
2150 |
160 |
160 |
90 |
440 |
360 |
34 |
50 | ||
|
800 |
1000 |
1500 |
1150 |
≤1268 |
1630 |
140 |
145 |
80 |
400 |
330 |
27 |
35 |
≤140 |
|
1200 |
1750 |
1400 |
≤1514 |
1900 |
160 |
160 |
90 |
440 |
360 |
34 |
50 | ||
|
1400 |
2000 |
1600 |
≤1720 |
2150 |
160 |
160 |
90 |
440 |
360 |
34 |
50 | ||
|
1000 |
1000 |
1500 |
1150 |
≤1268 |
1630 |
140 |
145 |
80 |
400 |
330 |
27 |
35 |
≤140 |
|
1200 |
1750 |
1400 |
≤1514 |
1900 |
160 |
160 |
90 |
440 |
360 |
34 |
50 | ||
|
1400 |
2000 |
1600 |
≤1720 |
2150 |
160 |
160 |
90 |
440 |
360 |
34 |
50 |
格鲁夫丝杆升降机