QQ:20275456
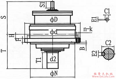
![]() | ||||||||||||
|
规格 |
额定输
出转矩
(kN.m) |
轮廓尺寸 |
联接尺寸 |
质量
(kg) | ||||||||
|
D |
S |
T |
N |
B |
d |
D |
n-k |
F | ||||
|
215 |
4 |
460 |
270 |
280 |
30 |
15 |
390 |
350 |
6-¢22 |
20 |
220 | |
|
255 |
7 |
530 |
315 |
305 |
30 |
15 |
460 |
420 |
6-¢22 |
25 |
280 | |
|
300 |
11 |
650 |
385 |
380 |
50 |
20 |
560 |
510 |
6-¢26 |
30 |
485 | |
|
350 |
16 |
730 |
410 |
430 |
50 |
20 |
650 |
600 |
6-¢26 |
30 |
720 | |
|
400 |
25 |
800 |
435 |
480 |
50 |
20 |
720 |
670 |
6-¢26 |
35 |
980 | |
|
450 |
36 |
820 |
475 |
500 |
50 |
20 |
730 |
680 |
6-¢32 |
35 |
1130 | |
|
500 |
48 |
930 |
540 |
530 |
60 |
20 |
840 |
780 |
6-¢38 |
40 |
1810 | |
|
550 |
68 |
1030 |
580 |
620 |
60 |
25 |
930 |
870 |
8-¢38 |
45 |
2360 | |
|
600 |
95 |
1170 |
640 |
660 |
60 |
25 |
1080 |
1000 |
8-¢44 |
50 |
3300 | |
|
670 |
123 |
1270 |
734 |
726 |
70 |
25 |
1180 |
1080 |
8-¢44 |
55 |
4470 | |
|
750 |
173 |
1490 |
785 |
880 |
80 |
25 |
1400 |
1320 |
8-¢50 |
60 |
5720 | |
|
规格 |
高速轴伸(1≥i≥95.9) |
高速轴伸(i≥107) |
低速轴伸 | |||||||||
|
d1 |
S1 |
C1 |
E1 |
d1 |
S1 |
C1 |
E1 |
D2 |
T1 |
C2 |
E2 | |
|
215 |
35k6 |
58 |
38 |
10 |
28k6 |
42 |
25 |
6 |
75m6 |
105 |
79.5 |
20 |
|
255 |
35k6 |
58 |
38 |
10 |
28k6 |
42 |
25 |
6 |
90m6 |
130 |
95 |
25 |
|
300 |
42k6 |
82 |
45 |
12 |
35k6 |
58 |
38 |
10 |
110m6 |
165 |
116 |
28 |
|
350 |
48m6 |
82 |
51.5 |
14 |
42m6 |
82 |
45 |
12 |
130m6 |
200 |
137 |
32 |
|
400 |
55m6 |
82 |
59 |
16 |
48m6 |
82 |
51.5 |
14 |
150m6 |
200 |
158 |
36 |
|
450 |
65m6 |
105 |
69 |
18 |
55m6 |
105 |
59 |
16 |
170m6 |
240 |
179 |
40 |
|
500 |
70m6 |
105 |
74.9 |
20 |
65m6 |
105 |
64 |
18 |
180m6 |
240 |
190 |
45 |
|
550 |
75m6 |
105 |
79.5 |
20 |
65m6 |
105 |
69 |
18 |
200m6 |
280 |
210 |
50 |
|
600 |
80m6 |
130 |
85 |
22 |
70m6 |
105 |
74.5 |
20 |
220m6 |
280 |
231 |
50 |
|
670 |
90m6 |
130 |
95 |
25 |
80m6 |
130 |
85 |
22 |
250m6 |
330 |
262 |
56 |
|
750 |
100m6 |
165 |
106 |
28 |
90m6 |
130 |
95 |
25 |
280m8 |
380 |
292 |
63 |