您好,欢迎进入格鲁夫机械设备制造有限公司官网!
减速机|丝杆升降机|减速电机|行业专用减速机|减速机配件|减速机厂|丝杆升降机厂|转向器厂

联系我们

邮箱:china@gelufu.com
电话:0312-6784766
在线咨询

无极变速器

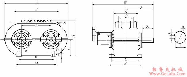
MWB型带式无级变速机外形及安装尺寸

发布日期:2023-12-28 19:49 浏览次数:

MWB型带式无级变速机外形及安装尺寸(图1) mail:china@gelufu.com

MWB型带式无级变速器外形及安装尺寸 gelufu

MWB型带式无级变速机外形及安装尺寸(图2) fax:0312-6784733

MWB系列型号的外形及安装尺寸 (mm)
规格
电机容量
(4P)
L
W
H
J
A
F
M
R
D
K
G
C
B
S
Q
E
N
d
t
Jz
Zc
重量
(kg)
MWB-0.4
MWB-0.75
MWB-1.5
MWB-2.2
MWB-3.7
MWB-5.5
0.4
0.75
1.5
2.2
3.7
5.5
347
394
474
554
655
778
378
485
483
577
643
731
191
233
262
317
361
420
205
265
345
350
325
420
160
173
220
242
318
365
192
210
260
290
351
400
220
245
300
335
400
456
30
36
43
43
52
56
10.5
13.5
13.5
13.5
13.5
16.5
M10
M12
M12
M12
M12
M16
18
20
22
24
26
30
95
116
133
160
180
208
168
221
221
260
292
334
136
170
170
210
237
320
80
90
103
130
165
282
164
201
201
240
270
378
194
236
240
290
310
420
20
25
27
30
35
40
17.5
21
23
26
30.5
35.5
5
8
8
8
10
10
50
70
70
80
90
95
23
40
46
70
101
150

Copyright © 2023-2025 格鲁夫 版权所有 备案号:冀ICP备19023093号-2

电子营业执照图标 电子营业执照
选择语言
Hello,欢迎来咨询~