gelufu.com

|
产品型号标记 |
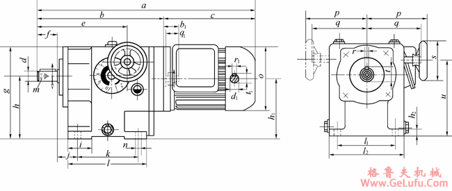
外形及安装尺寸 | ||||||||||||||
|
a
b |
c
e |
f
d |
g
h |
m
i |
j
k |
n
l |
o
h1 |
p
q |
r
t |
s
u |
h2
l1 |
l2
b①1 |
q1
r①1 |
d1
t①1 | |
|
GPZH120MD-G |
528
321 |
207
233 |
45
25 |
179
119 |
M6
47 |
78
120 |
11
156 |
130
115 |
120
108 |
8
28 |
80
149 |
13
115 |
146
25 |
23
4 |
11
12.5 |
|
GPZH180MD-G | |||||||||||||||
|
GPZH250MD-G |
588
363 |
225
269 |
55
30 |
212
146 |
M10
54 |
90
140 |
12
180 |
146
141 |
120
108 |
8
33 |
100
178 |
16
140 |
165
32 |
30
5 |
14
16 |
|
GPZH370MD-G | |||||||||||||||
|
GPZH550MD-G |
679
424 |
255
311 |
80
38 |
230
154 |
M10
60 |
103
160 |
14
204 |
165
146.5 |
160
145 |
10
41 |
100
192 |
18
160 |
200
42 |
40
6 |
19
21.5 |
|
GPZH750MD-G | |||||||||||||||
|
GPZH1100MD-G |
681
424 |
257
311 |
195
146.5 |
200
52 |
50
8 |
24
27 | |||||||||
|
GPZH1500MD-G |
706
424 |
282
311 | |||||||||||||