gelufu.com.cn

|
技 术 数 据 | ||||||||||||
|
型 号 |
D3# |
D4# |
D5# |
D6# |
D7# |
D8# |
D9# |
D10# |
D11# |
D12# |
D13# |
D14# |
|
速比 |
42:1 |
43:1 |
54:1 |
48:1 |
58:l |
53:1 |
63:1 |
66:1 |
81:1 |
81:1 |
100:1 |
90:1 |
|
旋转行程 |
90° |
90° |
90° |
90° |
90° |
90° |
90° |
90° |
90° |
90° |
90° |
90° |
|
限位调整 |
±5° |
±5° |
±5° |
±5° |
±5° |
±5° |
±5° |
±5° |
±5° |
±5° |
±5° |
±5° |
|
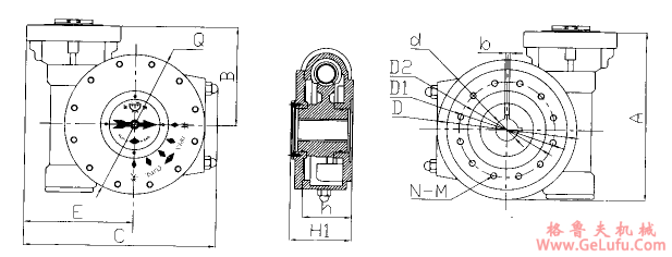
连 接 尺 寸 | ||||||||||||
|
法兰号 |
F10 |
F12 |
F14 |
F16 |
F20 |
F25 |
F30 |
F35 |
F40 |
F48 |
F59 |
F72 |
|
连接法兰(D) |
125 |
150 |
175 |
210 |
260 |
300 |
350 |
415 |
475 |
560 |
650 |
800 |
|
连接孔中心(D1) |
102 |
125 |
140 |
165 |
200 |
254 |
298 |
356 |
406 |
483 |
590 |
720 |
|
法兰凹面(D2) |
70×3 |
85×3 |
100×4 |
130×5 |
160×5 |
200×5 |
230×5 |
260×5 |
300×8 |
370×8 |
490×8 |
600×8 |
|
孔径:孔数(N-M) |
4-M10 |
4-M12 |
4-M16 |
4-M20 |
8-M16 |
8-M16 |
8-M20 |
12-M20 |
12-M20 |
12-M22 |
12-M27 |
12-M30 |
|
轴孔(dmin-max) |
22-26 |
28-32 |
35-38 |
38-48 |
45-58 |
55-70 |
75-85 |
90-100 |
98-120 |
115-145 |
160-180 |
200-250 |
|
标准轴孔(d) |
24 |
30 |
36 |
40 |
50 |
60 |
80 |
90 |
110 |
130 |
160 |
200 |
|
平键×条数×90°(b) |
8×1 |
10×1 |
12×1 |
12×2 |
16×2 |
18×2 |
22×2 |
28×2 |
28×2 |
32×2 |
32×2 |
36×2 |
|
安装高度(h) |
62 |
68 |
75 |
105 |
110 |
120 |
120 |
150 |
180 |
195 |
205 |
250 |
|
安 装 高 度(h) | ||||||||||||
|
型 号 |
D3# |
D4# |
D5# |
D6# |
D7# |
D8# |
D9# |
D10# |
D11# |
D12# |
D13# |
D14# |
|
A |
120 |
120 |
260 |
330 |
375 |
420 |
455 |
530 |
630 |
730 |
860 |
1200 |
|
B |
120 |
125 |
120 |
200 |
220 |
250 |
280 |
320 |
360 |
410 |
620 |
630 |
|
C |
210 |
260 |
295 |
330 |
430 |
500 |
550 |
700 |
820 |
900 |
1040 |
1300 |
|
E |
137 |
172 |
189 |
209 |
283 |
333 |
353 |
463 |
532 |
611 |
625 |
760 |
|
H1 |
80 |
85 |
100 |
130 |
135 |
155 |
160 |
180 |
210 |
240 |
240 |
350 |
|
箱体外径(Q) |
150 |
180 |
220 |
250 |
300 |
340 |
410 |
485 |
590 |
690 |
840 |
1070 |
|
重量 |
13kg |
17kg |
23 kg |
41 kg |
55 kg |
85 kg |
102 kg |
200 kg |
350 kg |
600 kg |
1000 kg |
2000 kg |
|
组合式电动蜗轮箱力矩表 | ||||||||||||
|
蜗轮箱 |
D3# |
D4# |
D5# |
D6# |
D7# | |||||||
|
电动 |
Z10 |
Z10 |
Z10 |
Z20 |
Z20 |
Z30 |
Z45 |
Z60 |
Z20 |
Z30 |
Z45 |
Z60 |
|
力矩N.m |
1050 |
1075 |
1350 |
2700 |
2400 |
3600 |
5400 |
7200 |
2900 |
4350 |
6525 |
8700 |
|
蜗轮箱 |
D8 |
D9 |
D10 | |||||||||
|
电动 |
Z45 |
Z60 |
Z90 |
Z120 |
Z45 |
Z60 |
Z90 |
Z120 |
Z90 |
Z120 |
Z180 |
Z250 |
|
力矩Nm |
5960 |
7850 |
11925 |
15900 |
7080 |
9450 |
14175 |
18900 |
14850 |
19800 |
29700 |
41250 |
|
蜗轮箱 |
D11 |
D12 |
D13 |
D14 | ||||||||
|
电动 |
Z90 |
Z120 |
Z180 |
Z250 |
Z180 |
Z250 |
Z350 |
Z500 |
Z350 |
Z500 |
Z800 | |
|
力矩N.m |
18225 |
24300 |
36450 |
50625 |
70875 |
101250 |
87500 |
125000 |
87500 |
125000 |
200000 | |