您好,欢迎进入格鲁夫机械设备制造有限公司官网!
减速机|丝杆升降机|减速电机|行业专用减速机|减速机配件|减速机厂|丝杆升降机厂|转向器厂

联系我们

邮箱:china@gelufu.com
电话:0312-6784766
在线咨询

蜗轮减速机

VF72..P系列蜗轮蜗杆减速机外形及安装尺寸

发布日期:2023-12-28 18:28 浏览次数:

VF72..P系列蜗轮蜗杆减速机外形及安装尺寸(图1)蜗轮蜗杆减速机外形及安装尺寸">

格鲁夫配件

Mobile:13331225020

VF72..P系列减速机外形总览

VF72..P系列蜗轮蜗杆减速机外形及安装尺寸 Mobile:13331225020

VF72..P系列是VF系列蜗轮蜗杆减速机中的一个重要子系列,以其紧凑的箱体结构、高效的传动能力和可靠的安装特性,广泛应用于包装机械、食品加工、物流输送等需要大速比、高扭矩的工业场合。该系列减速机采用优质的铸铁箱体,表面经过防腐处理,确保了在复杂工业环境下的耐用性。其外形设计充分考虑了空间限制,便于在设备中进行集成安装。 格鲁夫丝杆升降机

VF72..P系列蜗轮蜗杆减速机外形及安装尺寸(图2) gelufu

VF72..P系列蜗轮蜗杆减速机外形及安装尺寸(图3)

格鲁夫

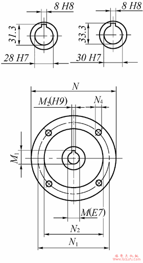
上图清晰地展示了VF72..P系列减速机的三视图(正视、侧视、俯视)以及轴端细节。从图中可以看出,其输入轴和输出轴采用了标准化的接口设计,方便与电机及工作机直接连接。箱体底部的安装法兰和侧面的安装孔位设计,支持多种安装方式(如底脚安装或法兰安装),为用户提供了灵活的配置选择。理解这些外形特征是进行正确选型和安装的步。 手机:13331225020

关键安装尺寸参数表

在将VF系列蜗轮蜗杆减速机集成到设备系统中时,精确的安装尺寸至关重要。下表详细列出了VF72..P系列下不同型号的关键接口尺寸和重量,这些参数直接关系到与驱动电机、负载设备以及机架的匹配。例如,参数“M”和“M1”通常与输入轴键槽尺寸相关,而“N”、“N1”、“N2”等则定义了输出法兰或轴伸的关键定位尺寸。准确的尺寸对接能有效保证传动同心度,减少振动,延长设备使用寿命。

邮箱:china@gelufu.com

A.N.V.F
FC.FC R.P
VF72
M
M1
M2
N
N1
N2
N3
N4
kg
VF72_P71B5
14
16.3
5
160
130
110
12
9
8.2
VF72_P80B5
19
21.8
6
200
165
130
12
11.5
VF72_P90B5
24
27.3
8
200
165
130
12
11.5
VF72_P100B5
28
31

在使用本表进行安装设计时,工程师需要特别注意以下几点:首先,确认所选型号的轴伸形式(实心轴或空心轴)与配套件是否匹配;其次,根据“kg”一栏提供的重量数据,评估支撑结构的强度;最后,所有安装结合面应保持清洁平整,紧固螺栓需按对角顺序逐步拧紧至规定扭矩,以确保VF72..P系列蜗轮蜗杆减速机受力均匀,运行平稳。建议在安装前后手动转动输入轴,检查是否有卡滞现象,完成初步调试。

Copyright © 2023-2025 格鲁夫 版权所有 备案号:冀ICP备19023093号-2

电子营业执照图标 电子营业执照
选择语言
Hello,欢迎来咨询~