WQ型圆柱蜗杆减速机主要尺寸大全(WQD40-250)
发布日期:2023-12-28 18:28
浏览次数:
WQD系列圆柱蜗杆减速机概览
减速机主要尺寸">
邮箱:china@gelufu.com
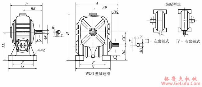
WQD型减速器主要尺寸
减速器主要尺寸 hspace=0 src="/uploads/allimg/20231228/1-23122QRR35H.gif" width=650 border=0 alt="WQD40、WQD50、WQD60、WQD70、WQD80、WQD100、WQD120、WQD135、WQD155、WQD175、WQD200、WQD250、型圆柱蜗杆减速机主要尺寸">
邮箱:china@gelufu.com
格鲁夫齿轮箱
|
减速比i |
1/10~1/30 |
1/40~1/60 |
A |
AB |
B |
BB |
CC |
E |
F |
H |
HL |
LL |
M |
N |
G |
φZ |
输入轴 |
输出轴 |
质量m/kg |
|
型号 |
功率/kW4极 |
HS |
φU |
T×Y |
LS |
φS |
W×Y |
|
40 |
0.09 |
0.04 |
142 |
85 |
112 |
74 |
40 |
70 |
80 |
135 |
40 |
80 |
90 |
100 |
12 |
10 |
25 |
12 |
4×2.5 |
28 |
14 |
5×3 |
5 |
|
50 |
0.18 |
0.09 |
175 |
105 |
145 |
95 |
50 |
95 |
110 |
180 |
50 |
100 |
120 |
140 |
15 |
11 |
30 |
12 |
4×2.5 |
40 |
17 |
5×3 |
7 |
|
60 |
0.37 |
0.18 |
195 |
120 |
165 |
110 |
60 |
105 |
120 |
210 |
60 |
120 |
130 |
150 |
20 |
11 |
40 |
15 |
5×3 |
50 |
22 |
7×4 |
11 |
|
70 |
0.75 |
0.37 |
234 |
140 |
195 |
130 |
70 |
115 |
150 |
243 |
70 |
140 |
150 |
190 |
20 |
15 |
40 |
18 |
5×3 |
60 |
28 |
7×4 |
15 |
|
80 |
1.5 |
0.75 |
264 |
160 |
210 |
140 |
80 |
135 |
180 |
273 |
80 |
160 |
170 |
220 |
20 |
15 |
50 |
22 |
7×4 |
65 |
32 |
104.5 |
22 |
|
100 |
2.2 |
1.5 |
322 |
190 |
260 |
155 |
100 |
155 |
220 |
340 |
100 |
200 |
190 |
260 |
25 |
15 |
50 |
25 |
7×4 |
75 |
38 |
10×4.5 |
36 |
|
120 |
4 |
2.2 |
385 |
230 |
290 |
185 |
120 |
180 |
260 |
405 |
120 |
240 |
230 |
320 |
30 |
18 |
65 |
30 |
7×4 |
85 |
45 |
12×4.5 |
63 |
|
135 |
5.5 |
4 |
435 |
260 |
320 |
210 |
135 |
200 |
290 |
455 |
135 |
270 |
250 |
350 |
30 |
18 |
75 |
35 |
10×4.5 |
95 |
55 |
15×5 |
80 |
|
155 |
7.5 |
5.5 |
507 |
302 |
387 |
252 |
155 |
220 |
320 |
490 |
135 |
290 |
280 |
390 |
38 |
20 |
85 |
40 |
10×4.5 |
110 |
60 |
15×5 |
114 |
|
175 |
11 |
7.5 |
550 |
325 |
407 |
262 |
175 |
250 |
350 |
565 |
160 |
335 |
310 |
430 |
40 |
20 |
85 |
45 |
12×4.5 |
110 |
65 |
18×6 |
150 |
|
200 |
15 |
11 |
670 |
350 |
480 |
305 |
200 |
290 |
390 |
625 |
175 |
375 |
360 |
480 |
42 |
22 |
95 |
50 |
12×4.5 |
125 |
70 |
20×7 |
218 |
|
250 |
18.5 |
15 |
810 |
420 |
560 |
360 |
250 |
380 |
480 |
730 |
200 |
450 |
460 |
560 |
42 |
27 |
110 |
60 |
15×5 |
155 |
90 |
24×8 |
363 |
WX:grove_company