fax:0312-6784733

|
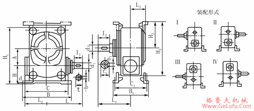
型号
尺寸 |
A |
B |
B1 |
C |
C1 |
H |
H1 |
H2 |
H3 |
L |
L1 |
L2 |
L3 |
d |
d1(gc1) |
d2(gc2) |
b |
b1 |
t |
t1 |
l1 |
l2 |
重量/kg |
|
WHT42 |
42 |
130 |
127 |
110 |
105 |
71 |
173 |
77 |
164 |
120 |
98 |
75 |
53 |
M8 |
16 |
20 |
6 |
6 |
18.5 |
22.5 |
35 |
38 |
8 |
|
WHT65 |
65 |
180 |
150 |
155 |
126 |
63 |
215 |
105 |
212 |
144 |
124 |
96 |
63 |
M8 |
20 |
25 |
6 |
8 |
22.5 |
28 |
40 |
45 |
16 |
|
WHT80 |
80 |
240 |
206 |
205 |
172 |
90 |
278 |
110 |
282 |
175 |
170 |
113 |
85 |
M10 |
25 |
35 |
8 |
10 |
27.5 |
37.8 |
42 |
58 |
27~28 |
|
WHT100 |
100 |
292 |
238 |
250 |
196 |
105 |
331 |
135 |
335 |
210 |
205 |
133 |
93 |
M12 |
30 |
45 |
8 |
14 |
32.5 |
48.2 |
58 |
82 |
42~44 |
格鲁夫机械
QQ:47447450
Tel:0312-6784766
QQ:47447450
mail:china@gelufu.com
格鲁夫机械