fax:0312-6784733
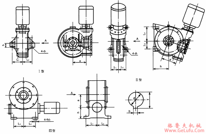
单级轮胎定型硫化机用平面包络环面蜗杆减速机外形及安装尺寸
Mobile:13331225020
格鲁夫
|
a
mm |
I |
Z1 |
Z2 |
D1
mm |
减速机电机 |
型号 |
安装尺寸mm | |||||||||
|
t/min |
KW |
h |
L1 |
L2 |
L3 |
L4 |
d1 |
d |
b |
T | ||||||
|
250 |
80 |
1 |
80 |
80 |
660 |
11 |
Ⅱ |
300 |
200 |
200 |
108 |
298 |
32 |
100 |
28 |
106.4 |
|
320 |
80 |
1 |
80 |
110 |
660 |
11 |
Ⅱ |
320 |
200 |
200 |
200 |
300 |
32 |
105 |
28 |
111.4 |
|
360 |
93 |
1 |
93 |
95 |
880 |
7.5 |
Ⅰ |
75 |
270 |
270 |
205 |
205 |
26 |
86 |
25 |
91.4 |
|
11 |
Ⅲ |
250 |
225 |
225 |
260 |
310 |
24 |
86 |
24 |
93.2 | ||||||
|
79 |
1 |
79 |
100 |
880 |
11 |
Ⅰ |
75 |
300 |
300 |
200 |
200 |
26 |
96 |
28 |
102.4 | |
|
660 | ||||||||||||||||
|
750 |
16 |
112 |
32 |
125 | ||||||||||||
|
660 | ||||||||||||||||
|
360 |
104 |
1 |
104 |
95 |
880 |
11 |
1 |
75 |
270 |
270 |
203 |
203 |
20 |
82.5 |
19.3 |
87.4 |
|
450 |
65 |
1 |
65 |
126.5 |
750 |
25 |
1 |
350 |
280 |
280 |
240 |
240 |
39 |
132 |
36 |
140.4 |
手机:13331225020