QQ:47447450


|
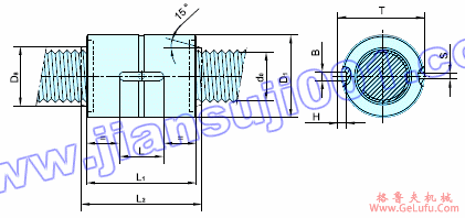
类型 |
d0公称 直径 |
pho 格鲁夫 导程 |
D1 g6 |
S |
D8 |
L×B×H 长×宽×高 |
T |
L1 |
L2 |
Ca |
Coa |
滚针数 | |
|
标准 |
最多 | ||||||||||||
|
PRDS 8×02 |
8 |
2 |
21 |
3 |
- |
10×3×3 |
22.5 |
31 |
41 |
4.19 |
8.90 |
6 |
8 |
|
PRDS 8×04 |
8 |
4 |
21 |
3 |
- |
10×3×3 |
22.5 |
31 |
41 |
3.26 |
9.31 |
6 |
8 |
|
PRDS 12×02 |
12 |
2 |
26 |
3 |
- |
10×3×3 |
27.5 |
31 |
41 |
6.14 |
13.36 |
6 |
10 |
|
PRDS 12×04 |
12 |
4 |
26 |
3 |
- |
10×3×3 |
27.5 |
31 |
41 |
5.35 |
13.87 |
6 |
10 |
|
PRDS 12×05 |
12 |
5 |
26 |
3 |
- |
10×3×3 |
27.5 |
31 |
41 |
4.88 |
15.50 |
6 |
10 |
|
PRDS 15×02 |
15 |
2 |
34 |
3 |
- |
14×4×4 |
36 |
35 |
51 |
8.08 |
15.87 |
6 |
11 |
|
PRDS 15×04 |
15 |
4 |
34 |
3 |
- |
14×4×4 |
36 |
35 |
51 |
7.16 |
16.50 |
6 |
11 |
|
PRDS 15×05 |
15 |
5 |
34 |
3 |
- |
14×4×4 |
36 |
35 |
51 |
6.72 |
18.45 |
6 |
11 |
|
PRDS 20×02 |
20 |
2 |
42 |
3 |
- |
20×4×4 |
44 |
55 |
65 |
19.80 |
33.00 |
8 |
11 |
|
PRDS 20×04 |
20 |
4 |
42 |
3 |
- |
20×4×4 |
44 |
55 |
65 |
17.72 |
34.31 |
8 |
11 |
|
PRDS 20×05 |
20 |
5 |
42 |
3 |
- |
20×4×4 |
44 |
55 |
65 |
16.68 |
38.37 |
8 |
11 |
|
PRDS 20×06 |
20 |
6 |
42 |
3 |
- |
20×4×4 |
44 |
55 |
65 |
15.91 |
39.13 |
8 |
11 |
|
PRDS 21×05 |
21 |
5 |
45 |
5 |
26 |
20×5×5 |
47.5 |
64 |
72 |
24.40 |
34.20 |
9 |
11 |
|
PRDS 21×08 |
21 |
8 |
45 |
5 |
26 |
20×5×5 |
47.5 |
64 |
72 |
26.50 |
34.50 |
9 |
11 |
|
PRDS 21×10 |
21 |
10 |
45 |
5 |
26 |
20×5×5 |
47.5 |
64 |
72 |
28.70 |
35.00 |
9 |
10 |
|
PRDS 23×02 |
23 |
2 |
45 |
4 |
30 |
20×5×5 |
47.5 |
55 |
65 |
24.63 |
33.40 |
8 |
11 |
|
PRDS 23×04 |
23 |
4 |
45 |
5 |
30 |
20×5×5 |
47.5 |
55 |
65 |
24.17 |
32.19 |
8 |
11 |
|
PRDS 23×08 |
23 |
8 |
45 |
5 |
30 |
20×5×5 |
47.5 |
55 |
65 |
23.14 |
34.51 |
8 |
11 |
|
PRDS 25×05 |
25 |
5 |
53 |
5 |
32 |
25×6×6 |
56 |
78 |
90 |
31.60 |
46.00 |
8 |
11 |
|
PRDS 25×10 |
25 |
10 |
53 |
5 |
32 |
25×6×6 |
56 |
78 |
90 |
36.30 |
44.70 |
8 |
11 |
|
PRDS 27×02 |
27 |
2 |
53 |
4 |
35 |
20×5×5 |
55.5 |
55 |
69 |
26.70 |
38.83 |
8 |
11 |
|
PRDS 27×04 |
27 |
4 |
53 |
5 |
35 |
20×5×5 |
55.5 |
55 |
69 |
24.30 |
40.38 |
8 |
11 |
|
PRDS 27×08 |
27 |
8 |
53 |
5 |
35 |
20×5×5 |
55.5 |
55 |
69 |
25.36 |
49.63 |
8 |
10 |
|
PRDS 30×02 |
30 |
2 |
64 |
5 |
38 |
32×6×6 |
67 |
85 |
99 |
35.20 |
66.50 |
8 |
11 |
|
PRDS 30×05 |
30 |
5 |
64 |
5 |
38 |
32×6×6 |
67 |
85 |
99 |
46.00 |
75.70 |
10 |
11 |
|
PRDS 30×10 |
30 |
10 |
64 |
5 |
38 |
32×6×6 |
67 |
85 |
99 |
53.20 |
74.10 |
10 |
11 |
|
PRDS 30×15 |
30 |
15 |
64 |
5 |
38 |
32×6×6 |
67 |
85 |
99 |
57.80 |
75.10 |
10 |
10 |
|
PRDS 30×20 |
30 |
20 |
64 |
5 |
38 |
32×6×6 |
67 |
85 |
99 |
59.80 |
73.20 |
10 |
10 |
|
PRDS 30×25 |
30 |
25 |
64 |
5 |
38 |
32×6×6 |
67 |
85 |
99 |
61.40 |
71.60 |
10 |
10 |
|
PRDS 39×05 |
39 |
5 |
80 |
7 |
50 |
40×8×7 |
83.5 |
100 |
116 |
64.60 |
114.30 |
10 |
11 |
|
PRDS 39×10 |
39 |
10 |
80 |
7 |
50 |
40×8×7 |
83.5 |
100 |
116 |
76.30 |
115.10 |
10 |
11 |
|
PRDS 39×15 |
39 |
15 |
80 |
7 |
50 |
40×8×7 |
83.5 |
100 |
116 |
82.80 |
114.00 |
10 |
11 |
|
PRDS 39×20 |
39 |
20 |
80 |
7 |
50 |
40×8×7 |
83.5 |
100 |
116 |
86.70 |
109.20 |
10 |
11 |
|
PRDS 44×12 |
44 |
12 |
80 |
7 |
56 |
32×6×6 |
83 |
90 |
106 |
69.50 |
108.60 |
12 |
14 |
|
PRDS 44×18 |
44 |
18 |
80 |
7 |
56 |
32×6×6 |
83 |
90 |
106 |
76.40 |
109.30 |
12 |
13 |
|
PRDS 44×24 |
44 |
24 |
80 |
7 |
56 |
32×6×6 |
83 |
90 |
106 |
81.90 |
110.70 |
12 |
13 |
|
PRDS 44×30 |
44 |
30 |
80 |
7 |
56 |
32×6×6 |
83 |
90 |
106 |
80.20 |
103.10 |
12 |
13 |
|
PRDS 48×05 |
48 |
5 |
100 |
7 |
60 |
45×8×7 |
103.5 |
127 |
145 |
99.00 |
204.60 |
10 |
11 |
|
PRDS 48×10 |
48 |
10 |
100 |
7 |
60 |
45×8×7 |
103.5 |
127 |
145 |
115.80 |
201.90 |
10 |
11 |
|
PRDS 48×28 |
48 |
20 |
100 |
7 |
60 |
45×8×7 |
103.5 |
127 |
145 |
129.00 |
190.90 |
10 |
11 |
|
PRDS 60×10 |
60 |
10 |
122 |
10.5 |
71 |
45×10×8 |
126 |
152 |
170 |
169.40 |
331.30 |
10 |
11 |
|
PRDS 60×15 |
60 |
15 |
122 |
10.5 |
71 |
45×10×8 |
126 |
152 |
170 |
184.20 |
328.20 |
10 |
11 |
|
PRDS 60×20 |
60 |
20 |
122 |
10.5 |
71 |
45×10×8 |
126 |
152 |
170 |
195.00 |
326.50 |
10 |
11 |
|
PRDS 64×30 |
64 |
30 |
115 |
7 |
75 |
45×8×7 |
118.5 |
129 |
151 |
156.50 |
257.50 |
12 |
13 |
|
PRDS 64×36 |
64 |
36 |
115 |
7 |
75 |
45×8×7 |
118.5 |
129 |
151 |
156.00 |
246.50 |
12 |
13 |
|
PRDS 64×42 |
64 |
42 |
115 |
7 |
75 |
45×8×7 |
118.5 |
129 |
151 |
154.90 |
235.70 |
12 |
13 |
|
PRDS 75×10 |
75 |
10 |
150 |
10.5 |
87 |
63×10×8 |
154 |
191 |
211 |
246.00 |
617.50 |
11 |
11 |
|
PRDS 75×20 |
75 |
20 |
150 |
10.5 |
87 |
63×10×8 |
154 |
191 |
211 |
290.00 |
621.50 |
11 |
11 |
|
PRDS 75×30 |
75 |
30 |
150 |
10.5 |
87 |
63×10×8 |
154 |
191 |
211 |
276.80 |
568.60 |
11 |
11 |