您好,欢迎进入格鲁夫机械设备制造有限公司官网!
|
网站地图
|
Tag标签
|
在线留言
|
联系我们
网站首页
Home
关于我们
ABOUT US
关于我们
售后保障
产品中心
PRODUCT
蜗轮减速机
齿轮减速机
丝杆升降机
减速电机
精密减速机
行业专用减速机
联轴器
摆线针轮减速机
技术文章
NEWS
蜗轮减速机
齿轮减速机
摆线针轮减速机
精密减速机
丝杆升降机
行星齿轮减速机
行业专用减速机
联轴器
减速机相关
问题解疑
减速电机
无极变速器
国外及港台减速机
电机
合作案例
CASE
售后服务
service
在线留言
MESSAGE
联系我们
CONTACT US
技术文章
蜗轮减速机
齿轮减速机
摆线针轮减速机
精密减速机
丝杆升降机
行星齿轮减速机
行业专用减速机
联轴器
减速机相关
问题解疑
减速电机
无极变速器
国外及港台减速机
电机
推荐产品
GCLD4鼓形齿
CLZ2型齿式联
UL3轮胎式联轴
GL5滚子链联轴
联系我们
邮箱:
china@gelufu.com
电话:
0312-6784766
在线咨询
主页
>
技术文章
>
丝杆升降机
丝杆升降机
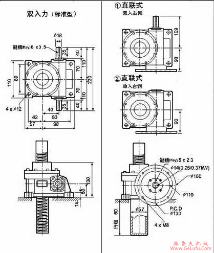
WSH系列蜗杆升降机型号表示说明示例
发布日期:2023-12-28 20:47
浏览次数:
Mobile:13331225020
型号表示说明示例
上一篇:WSH系列蜗杆升降机螺杆端型式
下一篇:WSH系列蜗杆升降机入力型式
查看更多 >>
推荐资讯
SCW型轴装式圆弧圆柱蜗杆减速机特点JB
SCW型轴装式圆弧圆柱蜗杆减速机,符合JB/T6387-1992标准,含SCWU、SCWS、SCWO三系列,直接套装于工...
QJ-T型起重机套装式减速机工作条件及型
QJ-T型起重机套装式减速机JB/T8905.4-1999简介,QJ-T型起重机套装式减速机JB/T8905.4-199...
HWT、HWB型直廓环面蜗杆减速机适用范
了解HWT、HWB型直廓环面蜗杆减速机(JB/T7936―1999)的适用范围与标记方法。本标准规定了该型减速机的基本参...
8000系列行星摆线针轮减速机XWD、X
8000系列行星摆线针轮减速机简介,8000系列行星摆线针轮减速机特点,8000系列行星摆线针轮减速机参数,8000系列...
选择语言
×
Українська
Norsk
Cymraeg
Nederlands
日本語
Filipino
English
ລາວ
తెలుగు
Română
नेपाली
Français
Kreyòl Ayisyen
Čeština
Svenska
Русский
Malagasy
မြန်မာစာ
پښتو
ไทย
Հայերեն
简体中文
فارسی
繁體中文
Kurdî
Türkçe
हिन्दी
Български
Bahasa Melayu
Kiswahili
ଓଡ଼ିଆ
Íslenska
Gaeilge
ភាសាខ្មែរ
ગુજરાતી
Slovenčina
ಕನ್ನಡ
עברית
Magyar
मराठी
தமிழ்
Eesti
മലയാളം
Inuktitut
العربية
Deutsch
Slovenščina
বাংলা
اردو
Azərbaycan
Português
Samoan
Afrikaans
Tongan
Ελληνικά
Bahasa Indonesia
Español
Dansk
አማርኛ
ਪੰਜਾਬੀ
Shqip
Lietuvių
Italiano
Tiếng Việt
한국어
Malti
Suomi
Català
Hrvatski
Bosanski
Polski
Latviešu
Māori
Hello,欢迎来咨询~