您好,欢迎进入格鲁夫机械设备制造有限公司官网!
|
网站地图
|
Tag标签
|
在线留言
|
联系我们
网站首页
Home
关于我们
ABOUT US
关于我们
售后保障
产品中心
PRODUCT
蜗轮减速机
齿轮减速机
丝杆升降机
减速电机
精密减速机
行业专用减速机
联轴器
摆线针轮减速机
技术文章
NEWS
蜗轮减速机
齿轮减速机
摆线针轮减速机
精密减速机
丝杆升降机
行星齿轮减速机
行业专用减速机
联轴器
减速机相关
问题解疑
减速电机
无极变速器
国外及港台减速机
电机
合作案例
CASE
售后服务
service
在线留言
MESSAGE
联系我们
CONTACT US
技术文章
蜗轮减速机
齿轮减速机
摆线针轮减速机
精密减速机
丝杆升降机
行星齿轮减速机
行业专用减速机
联轴器
减速机相关
问题解疑
减速电机
无极变速器
国外及港台减速机
电机
推荐产品
LZD6锥形轴孔
WGP4带制动盘
GⅡCLZ6型鼓
XL行星摆线针轮
联系我们
邮箱:
china@gelufu.com
电话:
0312-6784766
在线咨询
主页
>
技术文章
>
丝杆升降机
丝杆升降机
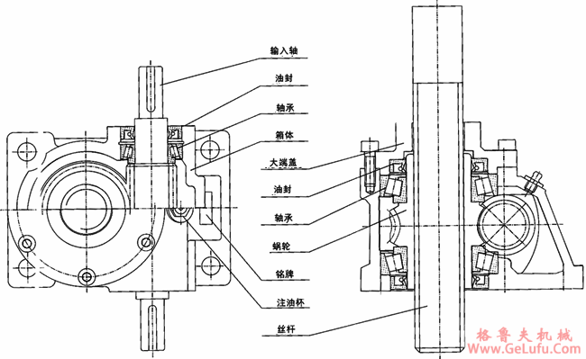
JRSS系列蜗轮丝杆升降机产品结构
发布日期:2023-12-28 20:47
浏览次数:
格鲁夫
产品结构
上一篇:WJ63、WJ80、WJ100、WJ125、WJ160、WJ200型蜗轮丝杠升降机丝杠头部联接形式
下一篇:JRSS系列蜗轮丝杆升降机型号说明
查看更多 >>
推荐资讯
TBW(Y)9075~9155单级卧式外
新型9000系列摆线针轮减速机简介,新型9000系列摆线针轮减速机特点,新型9000系列摆线针轮减速机参数,新型9000...
HWT、HWB型直廓环面蜗杆减速机许用输
本文提供HWT、HWB型直廓环面蜗杆减速机许用输入热功率PG和总传动功率η的详细数据表,依据JB/T7936-1999标...
QJ-D型起重机底座式减速机轴端型式JB
QJ-D型起重机底座式减速机JB/T8905.2-1999简介,QJ-D型起重机底座式减速机JB/T8905.2-199...
BRV系列变速型蜗杆减速机技术参数表(配
BRV系列变速型蜗杆减速器简介,BRV系列变速型蜗杆减速器特点,BRV系列变速型蜗杆减速器参数,BRV系列变速型蜗杆减速...
选择语言
×
Українська
Norsk
Cymraeg
Nederlands
日本語
Filipino
English
ລາວ
తెలుగు
Română
नेपाली
Français
Kreyòl Ayisyen
Čeština
Svenska
Русский
Malagasy
မြန်မာစာ
پښتو
ไทย
Հայերեն
简体中文
فارسی
繁體中文
Kurdî
Türkçe
हिन्दी
Български
Bahasa Melayu
Kiswahili
ଓଡ଼ିଆ
Íslenska
Gaeilge
ភាសាខ្មែរ
ગુજરાતી
Slovenčina
ಕನ್ನಡ
עברית
Magyar
मराठी
தமிழ்
Eesti
മലയാളം
Inuktitut
العربية
Deutsch
Slovenščina
বাংলা
اردو
Azərbaycan
Português
Samoan
Afrikaans
Tongan
Ελληνικά
Bahasa Indonesia
Español
Dansk
አማርኛ
ਪੰਜਾਬੀ
Shqip
Lietuvių
Italiano
Tiếng Việt
한국어
Malti
Suomi
Català
Hrvatski
Bosanski
Polski
Latviešu
Māori
Hello,欢迎来咨询~