您好,欢迎进入格鲁夫机械设备制造有限公司官网!
减速机|丝杆升降机|减速电机|行业专用减速机|减速机配件|减速机厂|丝杆升降机厂|转向器厂

联系我们

邮箱:china@gelufu.com
电话:0312-6784766
地址:莲池区焦庄乡 在线咨询

减速机相关

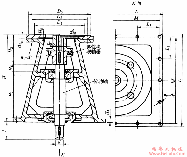
FZ25A、FZ30A 、FZ30B、FZ35A、FZ40B、FZ45A、FZ50B、FZ55A、FZ55B、FZ65A、FZ80A 、FZ80B、FZ80A、FZ80B、FZ90A、FZ95A、FZ100A、FZ100B、FZ110A、FZ130A、FZ130B、FZ140、FZ150、FZ160、FZ180、型双支点方底板机架主要尺寸

发布日期:2023-12-28 20:27 浏览次数:

FZ25A、FZ30A 、FZ30B、FZ35A、FZ40B、FZ45A、FZ50B、FZ55A、FZ55B、FZ65A、FZ80A 、FZ80B、FZ80A、FZ80B、FZ90A、FZ95A、FZ100A、FZ100B、FZ110A、FZ130A、FZ130B、FZ140、FZ150、FZ160、FZ180、型双支点方底板机架主要尺寸(图1) 电话:0312-6784766

FZ25A、FZ30B型双支点方底板机架主要尺寸 mail:china@gelufu.com

FZ25A、FZ30A 、FZ30B、FZ35A、FZ40B、FZ45A、FZ50B、FZ55A、FZ55B、FZ65A、FZ80A 、FZ80B、FZ80A、FZ80B、FZ90A、FZ95A、FZ100A、FZ100B、FZ110A、FZ130A、FZ130B、FZ140、FZ150、FZ160、FZ180、型双支点方底板机架主要尺寸(图2) 格鲁夫机械

型号
通用尺寸
输入端接口
输出端接口
Ⅰ型
Ⅱ型
H2
H3
H4
H5
H6
l
D1
D2
D3
d0
n1- d1
L
L1
M
d
n2- d2
H
H1
重量/kg
H
H1
重量/kg
FZ25A
130
20
25
4
80
100
130
160
180
25
6-M8
400
170
340
30
8-φ14
630
380
167
800
550
198
FZ30A FZ30B
5
4
140
200
160
230
190
260
30
4-M10
6-M12
35
FZ35A
180
5
30
170
200
230
35
6-M10
40
FZ40B
4
230
260
290
40
6-M12
45
FZ45A
220
20
30
5
45
130
200
230
260
45
6-M10
585
175
525
50
12-φ18
750
440
383
950
640
460
FZ50B
5
270
305
340
50
8-M16
55
FZ55A FZ55B
6
5
270
310
305
340
55
6-M10
8-M16
60
FZ65A
280
25
30
6
50
200
316
360
400
65
8-M12
800
240
720
70
12-φ22
900
520
547
1100
720
656
FZ80A FZ80B
6
5
316
320
360
400
70
8-M12
8-M16
75
FZ80A FZ80B
340
30
40
6
5
95
250
345
360
390
410
430
460
80
8-M16
8-M20
1060
250
1000
85
16-φ22
1060
600
980
1360
900
1100
FZ90A
400
7
35
400
450
490
90
12-M16
95
FZ95A
9
455
520
580
95
12-M20
100
FZ100A FZ100B
9
5
455
470
520
580
100
110
FZ110A
450
40
45
11
45
300
520
590
650
110
12-M20
1260
300
1200
120
16-φ22
1200
668
1600
1600
1068
1996
FZ130A FZ130B
11
9
680
800
880
130
12-M30
140
FZ140
11
9
680
800
880
140
12-M30
150
FZ150
520
45
50
14
10
50
340
根据所选减速器而定
1470
350
1400
160
20-φ27
1400
780
2200
1800
980
1495
FZ160
14
10
180
FZ180
580
50
55
14
10
60
370
1670
400
1600
200
20-φ33
1600
900
2800
2000
1100
1720
注:1、FZ型机架适用于常压、敞开式搅拌槽上支承减速器。机架包括传动轴和弹性块联轴器。减速器输出轴通过弹性块联轴器与传动轴联接(见上图),传动轴下方通过JQ型夹壳型联轴器在槽内与搅拌轴联接。
2、选用者根据要求的轴承间距H1值选择Ⅰ型或Ⅱ型机架。

Copyright © 2023-2025 格鲁夫 版权所有 备案号:冀ICP备19023093号-2

电子营业执照图标 电子营业执照