QSP系列齿轮减速三相异步电动机安装及外形尺寸 格鲁夫机械
手机:13331225020
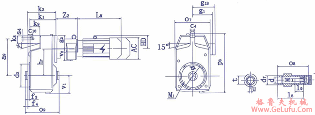
| 机座号 | a9 a10 |
c4 f4 |
k1 h1 |
k8 h9 |
φ O7 |
O8 O9 |
M1 p3 |
S4 v1 |
d d7 |
l8 l9 |
t u |
k2 M |
d2 f3 |
| QSP130 | 170 | 12 | 107 | 32 | 120 | 140 | 4-M10 | 14 | 30 | 122 | 33.3 | 119 | 80 |
| 172 | 285 | M10 | |||||||||||
| 32 | 4 | 130 | 48 | 143 | 85 | 45 | 16 | 8 | 4 | ||||
| QSP160 | 218 | 16 | 139 | 42 | 128 | 180 | 4-M10 | 14 | 40 | 156 | 43.3 | 157 | 90 |
| 212 | 351 | M16 | |||||||||||
| 41 | 5 | 160 | 60 | 183 | 101 | 55 | 30 | 12 | 5 | ||||
| QSP208 | 278 | 20 | 162 | 50 | 154 | 210 | 4-M12 | 22 | 50 | 183 | 53.8 | 182 | 130 |
| 260 | 442 | M16 | |||||||||||
| 50 | 5 | 208 | 70 | 213 | 124 | 70 | 31 | 14 | 4 | ||||
| QSP255 | 346 | 26 | 184 | 65 | 215 | 240 | 4-M12 | 22 | 60 | 210 | 64.4 | 212 | 180 |
| 315 | 540 | M20 | |||||||||||
| 62 | 5 | 255 | 80 | 243 | 151 | 85 | 36 | 18 | 5 | ||||
| QSP290 | 395 | 30 | 265 | 80 | 265 | 300 | 8-M16 | 26 | 70 | 270 | 74.9 | 286 | 230 |
| 380 | 628 | M20 | 5 | ||||||||||
| 70 | 5.5 | 290 | 180 | 304 | 182 | 95 | 34 | 20 | |||||
| QSP358 | 485 | 38 | 275 | 90 | 330 | 350 | 8-M16 | 26 | 80 | 313 | 85.4 | 315 | 280 |
| 464 | 763 | M20 | |||||||||||
| 88 | 6 | 358 | 121 | 354 | 225 | 115 | 30 | 22 | 5 |
WX:grove_company
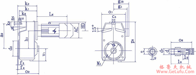
| 机座号 | a1 b1 |
c1 e1 |
h1 f1 |
O7 | O8 O9 |
P3 | S1 v1 |
d d7 |
l8 l9 |
k1 k2 |
t u |
M |
| QSP130F | 200 | 12 | 130 | 163 | (4孔)11 | 30 | 145 | 107 | 33.3 | |||
| 172 | 285 | M10 | ||||||||||
| 130 | 165 | 3.5 | 165 | 85 | 45 | 16 | 40 | 8 | ||||
| QSP160F | 250 | 15 | 160 | 203 | (4孔)14 | 40 | 179 | 139 | 43.3 | |||
| 212 | 351 | M16 | ||||||||||
| 180 | 215 | 4 | 205 | 101 | 55 | 30 | 48 | 12 | ||||
| QSP208F | 250 | 15 | 208 | 247 | (4孔)14 | 50 | 220 | 162 | 53.8 | |||
| 260 | 442 | M16 | ||||||||||
| 180 | 215 | 4 | 250 | 124 | 70 | 31 | 61 | 14 | ||||
| QSP255F | 350 | 20 | 255 | 267 | (4孔)18 | 60 | 237 | 184 | 64.4 | |||
| 315 | 540 | M20 | ||||||||||
| 250 | 300 | 5 | 270 | 151 | 85 | 36 | 65 | 18 | ||||
| QSP290F | 450 | 22 | 290 | 341.5 | 18 | 70 | 312 | 265 | 74.9 | |||
| 380 | 628 | M20 | ||||||||||
| 350 | 400 | 5 | 345 | 182 | 95 | 34 | 85 | 20 | ||||
| QSP358F | 450 | 22 | 358 | 390.5 | 18 | 80 | 354 | 275 | 85.4 | |||
| 464 | 763 | M20 | ||||||||||
| 350 | 400 | 5 | 394 | 225 | 115 | 30 | 85 | 22 |
www.gelufu.com.cn
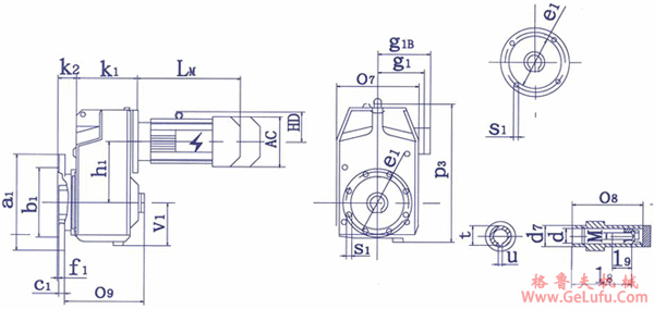
| 机座号 | a9 a10 |
c4 f4 |
k1 h1 |
k8 h9 |
O7 O8 O9 |
p3 M1 S4 |
v1 v2 |
φ Z2 |
l8 l9 |
d d7 |
t u |
k2 M |
d2 f3 |
| QSP160+VU2 | 218 | 16 | 139 | 42 | 212 | 351 | 101 | 128 | 156 | 40 | 43.3 | 157 | 90 |
| 180 | 4-M10 | 152 | M16 | ||||||||||
| 41 | 5 | 160 | 60 | 183 | 14 | 85 | 30 | 55 | 12 | 5 | |||
| QSP208+VU8 | 278 | 20 | 162 | 50 | 260 | 442 | 124 | 154 | 183 | 50 | 53.8 | 182 | 130 |
| 210 | 4-M12 | 176 | M16 | ||||||||||
| 50 | 5 | 208 | 70 | 213 | 22 | 118 | 31 | 70 | 14 | 4 | |||
| QSP255+VU8 | 346 | 26 | 184 | 65 | 315 | 540 | 151 | 215 | 210 | 60 | 64.4 | 212 | 180 |
| 240 | 4-M12 | 176 | M20 | ||||||||||
| 62 | 5 | 255 | 80 | 243 | 22 | 118 | 36 | 85 | 18 | 5 | |||
| QSP290+VU8 | 395 | 30 | 265 | 80 | 380 | 628 | 182 | 265 | 270 | 70 | 74.9 | 286 | 230 |
| 300 | 8-M16 | 176 | M20 | ||||||||||
| 70 | 5.5 | 290 | 108 | 304 | 26 | 118 | 34 | 95 | 20 | 5 | |||
| QSP290+VU14 | 395 | 30 | 265 | 80 | 380 | 628 | 182 | 265 | 270 | 70 | 74.9 | 286 | 230 |
| 300 | 8-M16 | 247 | M20 | 5 | |||||||||
| 70 | 5.5 | 290 | 108 | 304 | 26 | 143 | 34 | 95 | 20 |
格鲁夫减速机
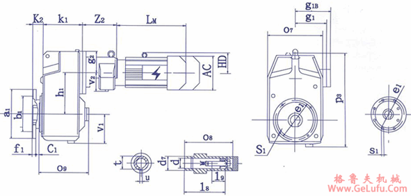
| 机座号 | a1 b1 |
c1 e1 |
h1 f1 |
O7 | O8 O9 |
P3 | s1 v1 |
d d7 |
l8 l9 |
k1 k2 |
v2 z2 |
t u |
M |
| QSP160F+VU2 | 250 | 15 | 160 | 203 | (4孔)14 | 40 | 179 | 139 | 85 | 43.3 | |||
| 212 | 351 | M16 | |||||||||||
| 180 | 215 | 4 | 205 | 101 | 55 | 30 | 48 | 152 | 12 | ||||
| QSP208F+VU8 | 250 | 15 | 208 | 247 | (4孔)14 | 50 | 220 | 162 | 118 | 53.8 | |||
| 260 | 442 | M16 | |||||||||||
| 180 | 215 | 4 | 250 | 124 | 70 | 31 | 61 | 176 | 14 | ||||
| QSP255F+VU8 | 350 | 20 | 255 | 267 | (4孔)18 | 60 | 237 | 184 | 118 | 64.4 | |||
| 315 | 540 | M20 | |||||||||||
| 250 | 300 | 5 | 270 | 151 | 85 | 36 | 65 | 176 | 18 | ||||
| QSP290F+VU8 | 450 | 22 | 290 | 341.5 | 18 | 70 | 312 | 265 | 118 | 74.9 | |||
| 380 | 628 | M20 | |||||||||||
| 350 | 400 | 5 | 345 | 182 | 95 | 34 | 85 | 176 | 20 | ||||
| QSP290F+VU14 | 450 | 22 | 290 | 341.5 | 18 | 70 | 312 | 265 | 143 | 74.9 | |||
| 380 | 628 | M20 | |||||||||||
| 350 | 400 | 5 | 345 | 182 | 95 | 34 | 85 | 247 | 20 |
注:电动机有关尺寸见电机尺寸表
格鲁夫丝杆升降机