QQ:20275456
格鲁夫机械
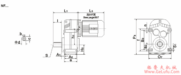
|
型号 |
安装尺寸 |
轴伸尺寸 |
外形尺寸 | ||||||||||||||||
|
a2 |
h1 |
Ao |
Bo |
e |
s |
A1 |
S1 |
Ho |
I |
d(k6) |
c |
b |
f |
g1 |
n |
O7 |
P3 |
L1 | |
|
NF37 |
31 |
112 |
77 |
115 |
95 |
M10 |
22.5 |
M8×11 |
76 |
50 |
25k6 |
28 |
8 |
135 |
120 |
20 |
165 |
252 |
166 |
|
NF47 |
43 |
128.1 |
93 |
145 |
109 |
M10 |
31 |
M10×15 |
77 |
60 |
30k6 |
33 |
8 |
165 |
120 |
20 |
180 |
269 |
198 |
|
NF57 |
55 |
136 |
102 |
170 |
126 |
M12 |
34.5 |
M12×17 |
93 |
70 |
35k6 |
38 |
10 |
195 |
160 |
25 |
200 |
317 |
221 |
|
NF67 |
60 |
159.5 |
112 |
190 |
131 |
M16 |
38.5 |
M12×17 |
97 |
80 |
40k6 |
43 |
12 |
215 |
160 |
25 |
212 |
343 |
252 |
|
NF77 |
70 |
200 |
140 |
240 |
165 |
M16 |
37.5 |
M16×26 |
121 |
100 |
50k6 |
53.5 |
14 |
275 |
200 |
35 |
270 |
426 |
294 |
|
NF87 |
100 |
246.7 |
165 |
310 |
195 |
M20 |
43 |
M16×26 |
152 |
120 |
60m6 |
64 |
18 |
350 |
250 |
40 |
330 |
531 |
349 |
|
NF97 |
120 |
285 |
205 |
350 |
240 |
M20 |
50.5 |
M20×28 |
178 |
140 |
70m6 |
74.5 |
20 |
400 |
300 |
50 |
400 |
623 |
412 |
|
NF107 |
125 |
332.6 |
220 |
400 |
260 |
M24 |
71.5 |
M24×36 |
200 |
170 |
90m6 |
95 |
25 |
460 |
350 |
60 |
450 |
717 |
491 |
|
NF127 |
142 |
382.6 |
270 |
450 |
316 |
M24 |
81 |
M30×45 |
236 |
210 |
110m6 |
116 |
28 |
520 |
450 |
70 |
530 |
856 |
586 |
|
NF157 |
170 |
447 |
310 |
540 |
350 |
M24 |
105 |
M36×55 |
286 |
210 |
120m6 |
127 |
32 |
620 |
550 |
80 |
660 |
1021 |
662 |
gelufu.com