WX:grove_company

|
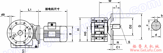
型号 |
安装尺寸 |
轴伸尺寸 |
外形尺寸 | |||||||||||||
|
H0 |
S |
R |
D1 |
d0 |
D2 |
b |
d |
l |
c |
L1 |
W |
D |
h1 |
C1 |
H | |
|
WKF127 |
375 |
M24 |
5 |
500 |
8-ф18 |
450h7 |
28 |
110m6 |
210 |
116 |
390 |
466 |
550 |
53 |
25 |
592 |
|
WKF157 |
450 |
M24 |
6 |
600 |
8-ф22 |
550h7 |
32 |
120m6 |
210 |
127 |
426 |
520 |
660 |
68.7 |
28 |
705 |