EWF37、EWF47、EWF67、EWF77、EWF87、EWF97、EWF107、EWF127、EWF157、平行轴斜齿轮减速机输入方式尺寸图表
发布日期:2023-12-28 19:37
浏览次数:
格鲁夫齿轮箱
EWF系列输入方式尺寸图表
1.实心轴输入

|
机座号 |
d1 |
E1 |
L1 |
r1 |
t1 |
|
EWF37 |
16 |
40 |
115 |
5 |
18 |
|
EWF47 |
19 |
40 |
115 |
6 |
21.5 |
|
EWF67 |
19 |
40 |
120 |
6 |
5 |
|
EWF77 |
24 |
50 |
140 |
8 |
27 |
|
EWF87 |
28 |
60 |
180 |
8 |
31 |
|
EWF97 |
38 |
80 |
220 |
10 |
41 |
|
EWF107 |
42 |
110 |
270 |
12 |
45 |
|
EWF127 |
55 |
110 |
297 |
16 |
59 |
|
EWF157 |
70 |
110 |
374 |
20 |
74.5 |
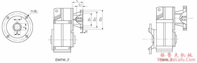
2.联接法兰输入
手机:13331225020
Mobile:13331225020
|
型号 |
d |
f |
r |
H |
L |
L1 |
D3 |
D2 |
D1 |
n-d0 |
|
EWF37 |
11 |
13 |
4 |
3.5 |
60 |
26 |
140 |
115 |
95 |
4-10 |
|
14 |
16 |
5 |
3.5 |
60 |
33 |
160 |
130 |
110 |
4-10 |
|
19 |
22 |
6 |
4.5 |
80 |
43 |
200 |
165 |
130 |
4-12 |
|
24 |
27 |
8 |
4.5 |
100 |
53 |
200 |
165 |
130 |
4-12 |
|
EWF47
EWF67 |
11 |
13 |
4 |
3.5 |
60 |
26 |
140 |
115 |
95 |
4-10 |
|
14 |
16 |
5 |
3.5 |
60 |
33 |
160 |
130 |
110 |
4-10 |
|
19 |
22 |
6 |
4.5 |
80 |
43 |
200 |
165 |
130 |
4-12 |
|
24 |
27 |
8 |
4.5 |
100 |
53 |
200 |
165 |
130 |
4-12 |
|
28 |
31 |
8 |
5 |
110 |
63 |
250 |
215 |
180 |
4-15 |
|
28 |
31 |
8 |
5 |
110 |
63 |
250 |
215 |
180 |
4-15 |
|
EWF77 |
19 |
22 |
6 |
4.5 |
80 |
43 |
200 |
165 |
130 |
4-12 |
|
24 |
27 |
8 |
4.5 |
100 |
53 |
200 |
165 |
130 |
4-12 |
|
28 |
31 |
8 |
5 |
110 |
63 |
250 |
215 |
180 |
4-15 |
|
28 |
31 |
8 |
5 |
110 |
63 |
250 |
215 |
180 |
4-15 |
|
38 |
41 |
10 |
5 |
110 |
85 |
300 |
265 |
230 |
4-15 |
|
EWF87 |
24 |
27 |
8 |
4.5 |
100 |
53 |
200 |
165 |
130 |
4-12 |
|
28 |
31 |
8 |
5 |
110 |
63 |
250 |
215 |
180 |
4-15 |
|
28 |
31 |
8 |
5 |
110 |
63 |
250 |
215 |
180 |
4-15 |
|
38 |
41 |
10 |
5 |
110 |
85 |
300 |
265 |
230 |
4-15 |
|
42 |
45 |
12 |
6 |
170 |
115 |
350 |
300 |
250 |
4-19 |
|
48 |
52 |
14 |
6 |
170 |
115 |
350 |
300 |
250 |
4-19 |
|
EWF97 |
28 |
31 |
8 |
5 |
110 |
63 |
250 |
215 |
180 |
4-15 |
|
28 |
31 |
8 |
5 |
110 |
63 |
250 |
215 |
180 |
4-15 |
|
38 |
41 |
10 |
5 |
170 |
85 |
300 |
265 |
230 |
4-15 |
|
42 |
45 |
12 |
6 |
170 |
115 |
350 |
300 |
250 |
4-19 |
|
48 |
52 |
14 |
6 |
170 |
115 |
350 |
300 |
250 |
4-19 |
|
55 |
59 |
16 |
7 |
170 |
115 |
400 |
350 |
300 |
4-19 |
|
EWF107 |
28 |
31 |
8 |
5 |
110 |
63 |
250 |
215 |
180 |
4-15 |
|
28 |
31 |
8 |
5 |
110 |
63 |
250 |
215 |
180 |
4-15 |
|
38 |
41 |
10 |
5 |
170 |
85 |
300 |
265 |
230 |
4-15 |
|
42 |
45 |
12 |
6 |
170 |
115 |
350 |
300 |
250 |
4-15 |
|
48 |
52 |
14 |
6 |
170 |
115 |
350 |
300 |
250 |
4-19 |
|
55 |
59 |
16 |
7 |
170 |
115 |
400 |
350 |
300 |
4-19 |
|
60 |
64 |
18 |
7 |
200 |
145 |
350 |
400 |
350 |
8-19 |
|
EWF127 |
38 |
41 |
10 |
5 |
170 |
85 |
300 |
265 |
230 |
8-19 |
|
42 |
45 |
12 |
6 |
170 |
115 |
350 |
300 |
250 |
4-15 |
|
48 |
52 |
14 |
6 |
170 |
115 |
350 |
300 |
250 |
4-15 |
|
55 |
59 |
16 |
7 |
170 |
115 |
400 |
350 |
300 |
4-19 |
|
60 |
64 |
18 |
7 |
200 |
145 |
350 |
400 |
350 |
8-19 |
|
65 |
70 |
18 |
7 |
200 |
550 |
500 |
450 |
450 |
8-19 |
|
75 |
80 |
20 |
7 |
200 |
145 |
550 |
500 |
450 |
8-19 |
|
EWF157 |
42 |
45 |
12 |
6 |
170 |
115 |
350 |
300 |
250 |
4-15 |
|
48 |
52 |
14 |
6 |
170 |
115 |
350 |
300 |
250 |
4-15 |
|
55 |
59 |
16 |
7 |
170 |
115 |
400 |
350 |
300 |
4-19 |
|
60 |
64 |
18 |
7 |
200 |
145 |
350 |
400 |
350 |
8-19 |
|
65 |
70 |
18 |
7 |
200 |
550 |
500 |
450 |
450 |
8-19 |
|
75 |
80 |
20 |
7 |
2000 |
145 |
550 |
500 |
450 |
8-19 |
传真:0312-6784733