传真:0312-6784733
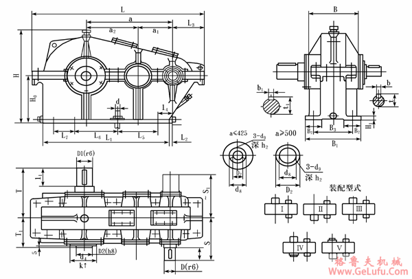
ZL、ZLH、ZLSH型减速器外形、安装尺寸及装配型式 www.gelufu.com.cn
手机:13331225020
|
型号 |
中心距 |
中心高 |
轮廓尺寸 |
B1 |
B2 |
L1 |
L2 |
L3 |
H1 |
地脚螺钉 | |||||||||||
|
a |
a1 |
a2 |
H0 |
H |
L |
B |
d |
n |
B3 |
L4 |
L5 |
L6 |
L7 | ||||||||
|
ZL
ZLH
ZLSH |
25 |
250 |
100 |
150 |
200-0.5 |
398 |
560 |
256 |
256 |
70 |
435 |
-35 |
120 |
20 |
M20 |
6 |
210 |
-5 |
175 |
205 |
─ |
|
35 |
350 |
150 |
200 |
250-0.5 |
493 |
720 |
316 |
316 |
80 |
585 |
-40 |
135 |
20 |
260 |
0 |
255 |
255 |
─ | |||
|
42.5 |
425 |
175 |
250 |
300-0.5 |
588 |
860 |
346 |
346 |
80 |
705 |
-39 |
149 |
25 |
280 |
10 |
275 |
335 |
─ | |||
|
50 |
500 |
200 |
300 |
350-0.5 |
688 |
1035 |
400 |
400 |
90 |
850 |
-58 |
185 |
30 |
M24 |
8 |
330 |
30 |
290 |
275 |
150 | |
|
60 |
600 |
250 |
350 |
400-0.5 |
821 |
1185 |
460 |
460 |
100 |
945 |
-8 |
190 |
35 |
390 |
30 |
370 |
310 |
180 | |||
|
65 |
650 |
250 |
400 |
450-0.5 |
916 |
1300 |
500 |
500 |
110 |
1025 |
8 |
205 |
38 |
M30 |
420 |
55 |
395 |
325 |
200 | ||
|
75 |
750 |
300 |
450 |
500-0.5 |
1016 |
1460 |
570 |
570 |
120 |
1200 |
-18 |
214 |
40 |
480 |
25 |
485 |
370 |
240 | |||
|
85 |
850 |
350 |
500 |
550-0.5 |
1116 |
1655 |
620 |
620 |
130 |
1320 |
12 |
251 |
45 |
M36 |
530 |
65 |
505 |
445 |
250 | ||
|
100 |
1000 |
400 |
600 |
650-0.5 |
1306 |
1910 |
710 |
710 |
145 |
1550 |
22 |
265 |
50 |
610 |
75 |
595 |
510 |
320 | |||
|
115 |
1150 |
450 |
700 |
750-1.0 |
1496 |
2190 |
785 |
785 |
145 |
1770 |
42 |
295 |
55 |
M42 |
700 |
105 |
655 |
595 |
380 | ||
|
130 |
1300 |
500 |
800 |
850-1.0 |
1691 |
2460 |
845 |
845 |
150 |
2015 |
42 |
317 |
60 |
740 |
105 |
745 |
670 |
450 | |||
|
型号 |
高速轴 |
S |
S1 |
低速轴 |
T |
装配型式Ⅴ-Ⅷ |
最大重量/kg | ||||||||||||
|
I |
D |
d |
t |
I1 |
D1 |
b1 |
t1 |
T1 |
D2 |
d4 |
d8 |
d9 |
h2 | ||||||
|
ZL
ZLH
ZLSH |
25 |
55 |
25 |
8 |
27.5 |
235 |
245 |
70 |
40 |
12 |
42.8 |
250 |
160 |
25 |
45 |
35 |
M6
M8 |
15
20 |
135 |
|
35 |
55 |
30 |
8 |
32.5 |
265 |
275 |
85 |
55 |
16 |
58.5 |
305 |
190 |
60 |
40 |
230 | ||||
|
42.5 |
55 |
35 |
10 |
37.8 |
280 |
290 |
105 |
70 |
20 |
74.2 |
355 |
210 |
75 |
305 | |||||
|
50 |
70 |
45 |
14 |
48.2 |
325 |
340 |
115 |
85 |
24 |
90.0 |
390 |
235 |
75 |
95 |
55 |
490 | |||
|
60 |
85 |
50 |
16 |
53.5 |
375 |
386 |
140 |
100 |
28 |
105.7 |
450 |
270 |
110 |
725 | |||||
|
65 |
85 |
50 |
16 |
53.5 |
395 |
406 |
140 |
110 |
32 |
116.5 |
470 |
290 |
120 |
980 | |||||
|
75 |
105 |
60 |
18 |
63.9 |
450 |
463 |
165 |
130 |
36 |
137.2 |
540 |
325 |
140 |
1390 | |||||
|
85 |
105 |
70 |
20 |
74.2 |
490 |
500 |
180 |
140 |
36 |
147.2 |
580 |
350 |
150 |
1910 | |||||
|
100 |
125 |
80 |
24 |
85 |
560 |
567 |
200 |
170 |
40 |
178.5 |
655 |
395 |
180 |
2730 | |||||
|
115 |
140 |
90 |
24 |
95 |
610 |
620 |
240 |
200 |
45 |
209.7 |
735 |
435 |
220 |
4000 | |||||
|
130 |
160 |
100 |
28 |
105.7 |
660 |
670 |
280 |
220 |
50 |
231.0 |
805 |
465 |
240 |
5430 | |||||