您好,欢迎进入格鲁夫机械设备制造有限公司官网!
减速机|丝杆升降机|减速电机|行业专用减速机|减速机配件|减速机厂|丝杆升降机厂|转向器厂

联系我们

邮箱:china@gelufu.com
电话:0312-6784766
在线咨询

减速电机

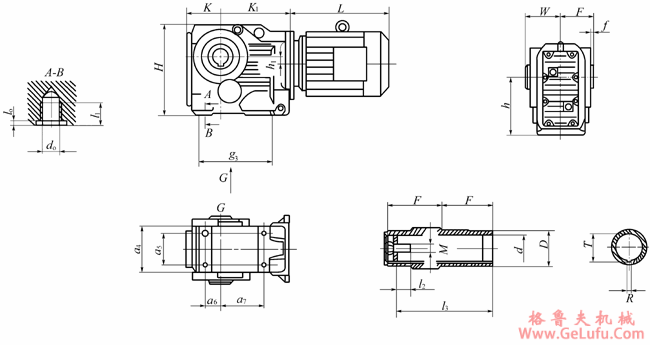
YCZJ100G、YCZJ112G、YCZJ140G、YCZJ180G、YCZJ212G、YCZJ265G、YCZJ315G、YCZJ375G、YCZJ450G系列斜齿轮-螺旋锥齿轮减速三相异步电动机外形及安装尺寸

发布日期:2023-12-28 19:36 浏览次数:

YCZJ100G、YCZJ112G、YCZJ140G、YCZJ180G、YCZJ212G、YCZJ265G、YCZJ315G、YCZJ375G、YCZJ450G系列斜齿轮-螺旋锥齿轮减速三相异步电动机外形及安装尺寸(图1)

微信:grove_company

YCZJ100G、YCZJ112G、YCZJ140G、YCZJ180G、YCZJ212G、YCZJ265G、YCZJ315G、YCZJ375G、YCZJ450G系列斜齿轮-螺旋锥齿轮减速三相异步电动机外形及安装尺寸(图2) 格鲁夫机械

YCZJ100G-YCZJ315G 轴装

机座号
h
a5
a7
d0
l0
d
12
T
M
a4
k
H
F
W
L
a6
l1
D
13
R
g3
k1
f
h1
YCZJ100G
100
60
82
M10
4
30H7
17
33. 3
M10
95
71
165
60
63
参照电
机尺寸
35
20
45
105
8
147
158
2.5
8.5
YCZJ112G
112
70
100
M10
4
35H7
22
38.3
M12
104
77
185
75
78
40
20
50
132
10
170
195
3
7.2
YCZJ140G
140
88
110
M12
5
40H7
29
43.3
M16
124
94
226
90
94
42
25
55
156
12
182
208
3.5
20
YCZJ180G
180
102
122
M16
6
50H7
32
53.8
M16
146
109
286
105
108
48
32
70
183
14
204
230
4
31.3
YCZJ212G
212
118
160
M16
6
60H7
36
64.4
M20
170
132
340
120
123
65
32
85
210
18
275
286
4
25.9
YCZJ265G
265
160
165
M20
6
70H7
34
74.9
M24
226
158
417
150
153
83
36
95
270
20
298
306
4
32.3
YCZJ315G
315
190
190
M24
6
90H7
40
95.4
M24
266
196
503
175
178
100
44
118
313
25
370
409
2.5
52
传真:0312-6784733

YCZJ100G、YCZJ112G、YCZJ140G、YCZJ180G、YCZJ212G、YCZJ265G、YCZJ315G、YCZJ375G、YCZJ450G系列斜齿轮-螺旋锥齿轮减速三相异步电动机外形及安装尺寸(图3) gelufu.com.cn

YCZJ375G-YCZJ450G 轴装

机座号
h
a0
c0
a2
d0
d
l2
T
M
B
H
F
W
A
p
L
b0
a1
k
D
l3
R
k1
f
h1
C
YCZJ375G
375
350
420
110
39
100H7
38
106.4
M24
400
592
205
208
445
45
参照电机尺寸
330
115
225
135
373
28
458
2.5
53
526
YCZJ450G
450
380
500
130
39
120H7
36
127.4
M24
500
705
250
253
495
50
420
140
280
155
460
32
495
0
71.7
634
传真:0312-6784733

Copyright © 2023-2025 格鲁夫 版权所有 备案号:冀ICP备19023093号-2

电子营业执照图标 电子营业执照
选择语言
Hello,欢迎来咨询~