格鲁夫机械
www.gelufu.com.cn
|
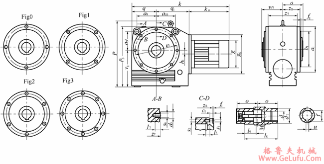
型号 |
电机功率(kW) |
尺寸 | |||||||||||||||||
|
a1 |
e1 |
g |
h1 |
k0 |
k |
O |
p3 |
q1 |
s1 |
v1 |
w7 |
d(h6) |
t |
l |
u |
b1(h7) |
f1 | ||
|
WF142 |
0.18 |
φ160 |
φ130 |
φ130 |
4 |
227 |
412 |
156 |
183 |
102 |
φ9 |
100 |
64 |
φ25 |
28 |
50 |
8 |
φ110 |
3.5 |
|
0.25 |
φ145 |
245 |
430 | ||||||||||||||||
|
0.37 | |||||||||||||||||||
|
0.55 |
φ175 |
250 |
435 | ||||||||||||||||
|
0.75 | |||||||||||||||||||
|
1.1 |
φ195 |
265 |
450 | ||||||||||||||||
|
WF152 |
0.25 |
φ200 |
φ165 |
φ145 |
11 |
245 |
448 |
167 |
210 |
112 |
φ11 |
112 |
64 |
φ30 |
33 |
60 |
8 |
φ130 |
3.5 |
|
0.37 | |||||||||||||||||||
|
0.55 |
φ175 |
250 |
453 | ||||||||||||||||
|
0.75 | |||||||||||||||||||
|
1.1 |
φ195 |
265 |
468 | ||||||||||||||||
|
1.5 |
290 |
493 | |||||||||||||||||
|
WF162 |
0.37 |
φ200 |
φ165 |
φ145 |
17.9 |
245 |
488 |
206 |
257 |
135 |
φ11 |
145 |
88 |
φ35 |
38 |
70 |
10 |
φ130 |
3.5 |
|
0.55 |
φ175 |
250 |
493 | ||||||||||||||||
|
0.75 | |||||||||||||||||||
|
1.1 |
φ195 |
265 |
508 | ||||||||||||||||
|
1.5 |
290 |
533 | |||||||||||||||||
|
2.2 |
φ215 |
320 |
563 | ||||||||||||||||
|
3 | |||||||||||||||||||
|
WF172 |
0.75 |
φ250 |
φ215 |
φ175 |
26.2 |
250 |
564 |
249 |
321 |
182 |
φ14 |
180 |
102 |
φ45 |
48.5 |
90 |
14 |
φ180 |
4 |
|
1.1 |
φ195 |
265 |
579 | ||||||||||||||||
|
1.5 |
290 |
604 | |||||||||||||||||
|
2.2 |
φ215 |
320 |
634 | ||||||||||||||||
|
3 | |||||||||||||||||||
|
4 |
φ240 |
340 |
654 | ||||||||||||||||
|
5.5 |
φ275 |
395 |
709 | ||||||||||||||||
|
WF182 |
1.5 |
φ350 |
φ300 |
φ195 |
36 |
290 |
647 |
294 |
380 |
205 |
φ18 |
232 |
115 |
φ60 |
64 |
115 |
18 |
φ250 |
5 |
|
2.2 |
φ215 |
320 |
677 | ||||||||||||||||
|
3 | |||||||||||||||||||
|
4 |
φ240 |
340 |
697 | ||||||||||||||||
|
5.5 |
φ275 |
395 |
752 | ||||||||||||||||
|
7.5 |
435 |
792 | |||||||||||||||||
|
WF192 |
2.2 |
φ450 |
φ400 |
φ215 |
50 |
320 |
767 |
346 |
490 |
245 |
φ17 |
285 |
136 |
φ70 |
75 |
140 |
20 |
φ350 |
5 |
|
3 | |||||||||||||||||||
|
4 |
φ240 |
340 |
787 | ||||||||||||||||
|
5.5 |
φ275 |
395 |
842 | ||||||||||||||||
|
7.5 |
435 |
882 | |||||||||||||||||
|
11 |
φ335 |
495 |
942 | ||||||||||||||||
|
15 |
540 |
987 | |||||||||||||||||