QQ:47447450

|
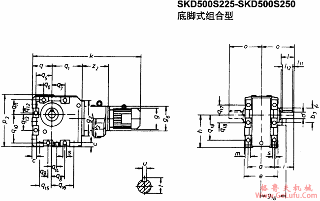
型号 |
a
b3 |
c
e |
g |
g1B |
g2
g6 |
h
i |
k |
m
o |
p3
q
q1 |
q5
q6
q7 |
q8
q9
q10 |
q11
q12
q13 |
q14
q15
q16 |
q17
q18
q19 |
s
v2
z2 |
d
l
l11 |
l12
t
u | |
|
SKD500S225 |
Y80 |
480
200 |
50
580 |
175 |
150 |
550
300 |
500
315 |
1372 |
100
555 |
785
315
475 |
265
115
210 |
210
70
450 |
220
22
250 |
70
200
340 |
155
115
385 |
33
225
297 |
140
250
15 |
220
148
36 |
|
Y90 |
195 |
160 |
1409 | |||||||||||||||
|
Y10 |
212 |
180 |
1438 | |||||||||||||||
|
Y112 |
240 |
190 |
1458 | |||||||||||||||
|
Y132S |
275 |
210 |
1513 | |||||||||||||||
|
Y132M |
275 |
210 |
1553 | |||||||||||||||
|
Y160M |
335 |
265 |
1549 | |||||||||||||||
|
Y160L |
335 |
265 |
1657 | |||||||||||||||
|
Y180 |
380 |
285 |
12717 | |||||||||||||||
|
Y200 |
420 |
315 |
1782 | |||||||||||||||
|
SKD500S250 |
Y100 |
480
200 |
50
580 |
212 |
180 |
550
350 |
500
315 |
1493 |
100
555 |
785
315
475 |
265
115
210 |
10
70
450 |
220
22
250 |
70
200
340 |
155
115
385 |
33
244
352 |
140
250
15 |
220
148
36 |
|
Y110 |
240 |
190 |
1513 | |||||||||||||||
|
Y132S |
275 |
210 |
1568 | |||||||||||||||
|
Y132M |
275 |
210 |
1608 | |||||||||||||||
|
Y160M |
335 |
265 |
1667 | |||||||||||||||
|
Y160L |
335 |
265 |
1712 | |||||||||||||||
|
Y180 |
380 |
285 |
1772 | |||||||||||||||
|
Y200 |
420 |
315 |
1837 | |||||||||||||||