Tel:0312-6784766

|
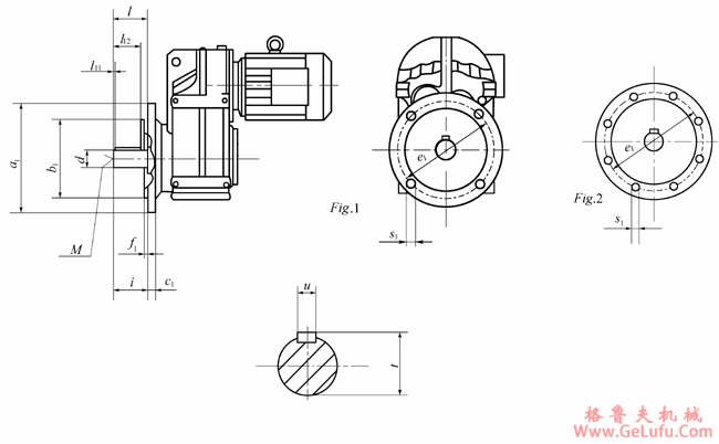
型号 |
a1 |
Fig |
b1 |
c1 |
e1 |
f1 |
i2 |
s1 |
d |
l |
l11 |
l12 |
t |
u |
M |
|
JTFF37 |
160 |
1 |
110j6 |
10 |
130 |
3.5 |
50 |
9 |
25k6 |
50 |
5 |
40 |
28 |
8 |
M10 |
|
JTFF47 |
200 |
1 |
130j6 |
12 |
165 |
3.5 |
60 |
11 |
30k6 |
60 |
3.5 |
50 |
33 |
8 |
M10 |
|
JTFF57 |
250 |
1 |
180j6 |
15 |
215 |
4 |
70 |
13.5 |
35k6 |
70 |
7 |
56 |
38 |
10 |
M12 |
|
JTFF67 |
250 |
1 |
180j6 |
15 |
215 |
4 |
80 |
13.5 |
40k6 |
80 |
5 |
70 |
43 |
12 |
M16 |
|
JTFF77 |
300 |
1 |
230h6 |
16 |
265 |
4 |
100 |
13.5 |
50k6 |
100 |
10 |
80 |
53.5 |
14 |
M16 |
|
JTFF87 |
350 |
1 |
250h6 |
18 |
300 |
5 |
120 |
17.5 |
60m6 |
120 |
5 |
110 |
64 |
18 |
M20 |
|
JTFF97 |
450 |
2 |
350h6 |
22 |
400 |
5 |
140 |
17.5 |
70m6 |
140 |
7.5 |
125 |
74.5 |
20 |
M20 |
|
JTFF107 |
450 |
2 |
350h6 |
22 |
400 |
5 |
170 |
17.5 |
90m6 |
170 |
5 |
160 |
95 |
25 |
M24 |
|
JTFF127 |
550 |
2 |
450h6 |
25 |
500 |
5 |
210 |
17.5 |
110m6 |
210 |
15 |
180 |
116 |
28 |
M24 |
|
JTFF157 |
660 |
2 |
450h6 |
28 |
600 |
6 |
210 |
22 |
120m6 |
210 |
5 |
200 |
127 |
32 |
M24 |