您好,欢迎进入格鲁夫机械设备制造有限公司官网!
|
网站地图
|
Tag标签
|
在线留言
|
联系我们
网站首页
Home
关于我们
ABOUT US
关于我们
售后保障
产品中心
PRODUCT
蜗轮减速机
齿轮减速机
丝杆升降机
减速电机
精密减速机
行业专用减速机
联轴器
摆线针轮减速机
技术文章
NEWS
蜗轮减速机
齿轮减速机
摆线针轮减速机
精密减速机
丝杆升降机
行星齿轮减速机
行业专用减速机
联轴器
减速机相关
问题解疑
减速电机
无极变速器
国外及港台减速机
电机
合作案例
CASE
售后服务
service
在线留言
MESSAGE
联系我们
CONTACT US
技术文章
蜗轮减速机
齿轮减速机
摆线针轮减速机
精密减速机
丝杆升降机
行星齿轮减速机
行业专用减速机
联轴器
减速机相关
问题解疑
减速电机
无极变速器
国外及港台减速机
电机
推荐产品
GⅡCL7型鼓形
UL9轮胎式联轴
WGZ11带制动
SL130十字滑
联系我们
邮箱:
china@gelufu.com
电话:
0312-6784766
在线咨询
主页
>
技术文章
>
国外及港台减速机
国外及港台减速机
BBR-S系列高减速比标准型球减速机
发布日期:2023-12-28 20:22
浏览次数:
格鲁夫机械
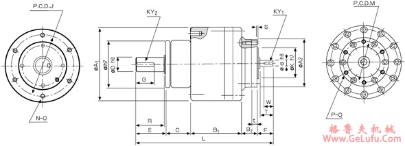
BBR-S系列高减速比标准型球减速机
下订单时,请具体说明下面所示的型号。
gelufu
SS型:轴输入/轴输出
SH 型:内孔输入/轴输出
上一篇:BBR-U 系列高减速比薄型球减速机
下一篇:DISCO无段变速机规格及变速范围
查看更多 >>
推荐资讯
HKL、HKLO、HKLA型圆弧齿轮减速
HNK型圆弧齿轮减速机YB/T050-93简介,HNK型圆弧齿轮减速机YB/T050-93特点,HNK型圆弧齿轮减速机Y...
TP型平面包络蜗杆减速机:TPU125-
TP型平面包络环面蜗杆减速机简介,TP型平面包络环面蜗杆减速机特点,TP型平面包络环面蜗杆减速机参数,TP型平面包络环面...
RD系列二次包络减速机型号说明及注意事项
RD型二次包络蜗轮减速器简介,RD型二次包络蜗轮减速器特点,RD型二次包络蜗轮减速器参数,RD型二次包络蜗轮减速器具体型...
FZLY型圆柱齿轮减速机的环境温度系数、
FZLY型圆柱齿轮减速机ZBJ19004-88简介,FZLY型圆柱齿轮减速机ZBJ19004-88特点,FZLY型圆柱齿...
选择语言
×
Українська
Norsk
Cymraeg
Nederlands
日本語
Filipino
English
ລາວ
తెలుగు
Română
नेपाली
Français
Kreyòl Ayisyen
Čeština
Svenska
Русский
Malagasy
မြန်မာစာ
پښتو
ไทย
Հայերեն
简体中文
فارسی
繁體中文
Kurdî
Türkçe
हिन्दी
Български
Bahasa Melayu
Kiswahili
ଓଡ଼ିଆ
Íslenska
Gaeilge
ភាសាខ្មែរ
ગુજરાતી
Slovenčina
ಕನ್ನಡ
עברית
Magyar
मराठी
தமிழ்
Eesti
മലയാളം
Inuktitut
العربية
Deutsch
Slovenščina
বাংলা
اردو
Azərbaycan
Português
Samoan
Afrikaans
Tongan
Ελληνικά
Bahasa Indonesia
Español
Dansk
አማርኛ
ਪੰਜਾਬੀ
Shqip
Lietuvių
Italiano
Tiếng Việt
한국어
Malti
Suomi
Català
Hrvatski
Bosanski
Polski
Latviešu
Māori
Hello,欢迎来咨询~