您好,欢迎进入格鲁夫机械设备制造有限公司官网!
减速机|丝杆升降机|减速电机|行业专用减速机|减速机配件|减速机厂|丝杆升降机厂|转向器厂

联系我们

邮箱:china@gelufu.com
电话:0312-6784766
地址:莲池区焦庄乡 在线咨询

国外及港台减速机

BR-U系列薄型球减速机

发布日期:2023-12-28 20:21 浏览次数:

BR-U系列薄型球减速机(图1)

电话:0312-6784766

BR-U系列薄型球减速机

gelufu.com.cn


BR-U系列薄型球减速机(图2)

微信:grove_company

型号表示:在订货时,安装下例型号明确表示。 gelufu.com.cn

BR-U系列薄型球减速机(图3) Mobile:13331225020

SU(KUS)型:轴输入/法兰输入 格鲁夫配件

BR-U系列薄型球减速机(图4)

Mobile:13331225020

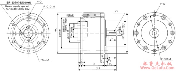
UH (KUH):内孔输入/法兰输出 格鲁夫配件

BR-U系列薄型球减速机(图5)

Copyright © 2023-2025 格鲁夫 版权所有 备案号:冀ICP备19023093号-2

电子营业执照图标 电子营业执照