格鲁夫
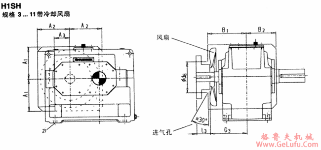
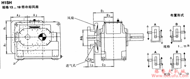
平行轴齿轮箱单级传动卧式安装(类型H1SH) www.gelufu.com.cn
QQ:20275456
传真:0312-6784733
格鲁夫丝杆升降机
|
规格 |
尺寸mm | ||||||||||||||||
|
输入轴 | |||||||||||||||||
|
iN=1.25-2.8 |
iN=1.6-2.8 |
iN=2-2.8 |
iN=3.15-4 |
iN=4.5-5.6 |
G1 |
G3 | |||||||||||
|
d11) |
l1 |
l3 |
d11) |
l1 |
l3 |
d11) |
l1 |
l3 |
d11) |
l1 |
l3 |
d11) |
l1 |
l3 | |||
|
1 |
40 |
70 |
|
|
|
|
|
|
|
30 |
50 |
- |
24 |
40 |
- |
110 |
- |
|
3 |
60 |
125 |
105 |
|
|
|
|
|
|
45 |
100 |
80 |
32 |
80 |
60 |
170 |
190 |
|
5 |
85 |
160 |
130 |
|
|
|
|
|
|
60 |
135 |
105 |
50 |
110 |
80 |
210 |
240 |
|
7 |
100 |
200 |
165 |
|
|
|
|
|
|
75 |
140 |
105 |
60 |
140 |
105 |
250 |
285 |
|
9 |
110 |
200 |
165 |
|
|
|
|
|
|
90 |
165 |
130 |
75 |
140 |
105 |
280 |
315 |
|
11 |
|
|
|
130 |
240 |
205 |
|
|
|
110 |
205 |
170 |
90 |
170 |
135 |
325 |
360 |
|
13 |
|
|
|
150 |
245 |
200 |
|
|
|
130 |
245 |
200 |
100 |
210 |
165 |
365 |
410 |
|
15 |
|
|
|
|
|
|
180 |
290 |
240 |
150 |
250 |
200 |
125 |
250 |
200 |
360 |
410 |
|
17 |
|
|
|
|
|
|
200 |
330 |
280 |
170 |
290 |
240 |
140 |
250 |
200 |
400 |
450 |
|
19 |
|
|
|
|
|
|
220 |
340 |
290 |
190 |
340 |
290 |
160 |
300 |
250 |
440 |
490 |
|
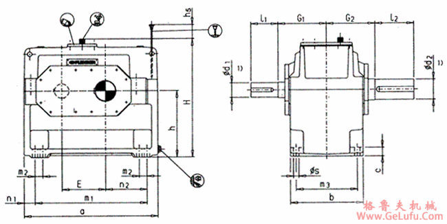
规格 |
尺寸mm | |||||||||||||||||||
|
齿轮箱 | ||||||||||||||||||||
|
a |
A1 |
A2 |
A3 |
b |
B1 |
B2 |
B3 |
c |
d6 |
E |
h |
h5 |
H |
m1 |
m2 |
m3 |
n1 |
n2 |
s | |
|
1 |
295 |
- |
- |
- |
150 |
- |
- |
- |
18 |
- |
90 |
140 |
55 |
275 |
220 |
- |
120 |
37.5 |
80 |
12 |
|
3 |
420 |
150 |
145 |
80 |
200 |
205 |
130 |
- |
28 |
130 |
130 |
200 |
85 |
375 |
310 |
- |
160 |
55 |
110 |
19 |
|
5 |
580 |
225 |
215 |
115 |
285 |
255 |
185 |
- |
35 |
190 |
185 |
290 |
100 |
525 |
440 |
- |
240 |
70 |
160 |
24 |
|
7 |
690 |
255 |
250 |
120 |
375 |
300 |
230 |
- |
45 |
245 |
225 |
350 |
75 |
625 |
540 |
- |
315 |
75 |
195 |
28 |
|
9 |
805 |
300 |
265 |
140 |
425 |
330 |
265 |
- |
50 |
280 |
265 |
420 |
50 |
735 |
625 |
- |
350 |
90 |
225 |
35 |
|
11 |
960 |
360 |
330 |
190 |
515 |
375 |
320 |
- |
60 |
350 |
320 |
500 |
40 |
875 |
770 |
- |
440 |
95 |
280 |
35 |
|
13 |
1100 |
415 |
350 |
- |
580 |
430 |
- |
150 |
70 |
350 |
370 |
580 |
40 |
1020 |
870 |
- |
490 |
115 |
315 |
42 |
|
15 |
1295 |
500 |
430 |
- |
545 |
430 |
- |
120 |
80 |
450 |
442 |
600 |
10 |
1115 |
1025 |
- |
450 |
135 |
370 |
48 |
|
17 |
1410 |
550 |
430 |
- |
615 |
470 |
- |
150 |
80 |
445 |
490 |
670 |
- |
1235 |
1170 |
130 |
530 |
120 |
425 |
42 |
|
19 |
1590 |
630 |
475 |
- |
690 |
510 |
- |
190 |
90 |
445 |
555 |
760 |
- |
1395 |
1290 |
150 |
590 |
150 |
465 |
48 |
|
规格 |
尺寸mm |
润滑油 |
重量
(kg) | |||
|
输出轴 |
轴封
(1) |
迷宫式密封
(1) | ||||
|
d21) |
G2 |
l2 | ||||
|
1 |
45 |
110 |
80 |
2.5 |
2.3 |
55 |
|
3 |
60 |
170 |
125 |
7 |
5.5 |
128 |
|
5 |
85 |
210 |
160 |
22 |
19 |
302 |
|
7 |
105 |
250 |
200 |
42 |
36 |
547 |
|
9 |
125 |
270 |
210 |
68 |
60 |
862 |
|
11 |
150 |
320 |
240 |
120 |
106 |
1515 |
|
13 |
180 |
360 |
310 |
175 |
155 |
2395 |
|
15 |
220 |
360 |
350 |
190 |
156 |
3200 |
|
17 |
240 |
400 |
400 |
270 |
225 |
4250 |
|
19 |
270 |
440 |
450 |
390 |
330 |
5800 |