邮箱:china@gelufu.com

|
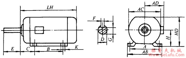
型号 |
A |
B |
C |
D |
E |
F |
G |
H |
K |
AB |
AC |
AD |
HD |
LH |
|
YM71S1-2 |
125 |
|
63 |
22 |
50 |
6 |
18.5 |
71 |
φ10 |
160 |
160 |
135 |
150 |
310 |
|
YM71S2-2 | ||||||||||||||
|
YM71L1-2 |
159 |
330 | ||||||||||||
|
YM71L2-2 | ||||||||||||||
|
YM80-2 |
170 |
80 |
28 |
60 |
8 |
24 |
80 |
φ12 |
205 |
175 |
145 |
170 |
360 | |
|
YM90S-2 |
180 |
90 |
32 |
80 |
10 |
27 |
90 |
215 |
205 |
160 |
190 |
370 | ||
|
YM90L-2 |
178 |
390 | ||||||||||||
|
YM100S-2 |
190 |
108 |
42 |
110 |
12 |
37 |
12 |
235 |
230 |
170 |
215 |
390 | ||
|
YM100L-2 |
203 |
425 |