格鲁夫配件
格鲁夫齿轮箱
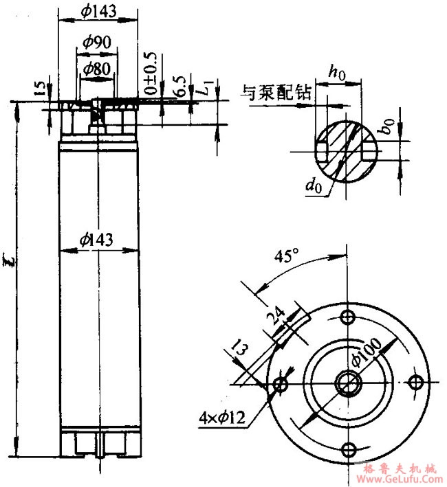
|
型号 |
d0 |
b0 |
h0 |
L |
L1 |
重量/kg |
|
YQS150-3 |
ф18 |
6 |
14.5 |
791 |
40 |
52 |
|
YQS150-4 |
851 |
| ||||
|
YQS150-5.5 |
906 |
63 | ||||
|
YQS150-7.5 |
976 |
70 | ||||
|
YQS150-9.2 |
ф25 |
8 |
21 |
1021 |
50 |
75 |
|
YQS150-11 |
1071 |
80 | ||||
|
YQS150-13 |
1131 |
86 | ||||
|
YQS150-15 |
1131 |
86 |
www.gelufu.com.cn
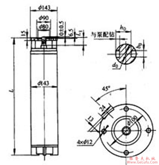
|
型号 |
d0 |
h0 |
L |
L1 |
重量/kg |
|
YQS175-7.5 |
ф25 |
21 |
740 |
45 |
69 |
|
YQS175-9.2 |
800 |
78 | |||
|
YQS175-11 |
835 |
83 | |||
|
YQS175-13 |
890 |
92 | |||
|
YQS175-15 |
920 |
96 | |||
|
YQS175-18.5 |
ф28 |
24 |
1010 |
55 |
108 |
|
YQS175-22 |
1060 |
115 | |||
|
YQS175-25 |
1130 |
126 | |||
|
YQS175-30 |
1280 |
148 |
mail:china@gelufu.com
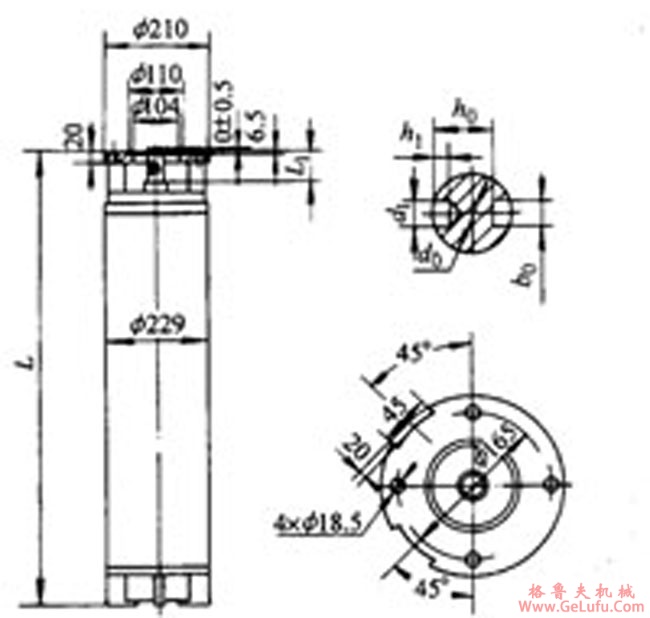
|
型号 |
d0 |
h0 |
L |
L1 |
重量/kg |
|
YQS200-4 |
ф25-0.020
-0.033 |
21 |
801 |
25 |
75 |
|
YQS200-5.5 |
831 |
78 | |||
|
YQS200-7.5 |
850 |
80 | |||
|
YQS200-9.2 |
866 |
82 | |||
|
YQS200-11 |
901 |
89 | |||
|
YQS200-13 |
941 |
96 | |||
|
YQS200-15 |
965 |
99 | |||
|
YQS200-18.5 |
ф28-0.020
-0.33 |
24 |
1061 |
30 |
103 |
|
YQS200-22 |
1075 |
114 | |||
|
YQS200-25 |
1141 |
123 | |||
|
YQS200-30 |
1246 |
147 | |||
|
YQS200-37 |
1355 |
155 | |||
|
YQS200-45 |
1465 |
161 |
格鲁夫
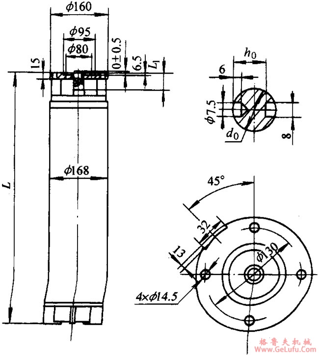
|
型号 |
d0 |
d1 |
h1 |
h0 |
b0 |
L |
L1 |
重量/kg |
|
YQS250-18.5 |
ф28-0.020
-0.33 |
7.5 |
6 |
24 |
8 |
1097 |
55 |
152 |
|
YQS250-22 |
1127 |
157 | ||||||
|
YQS250-25 |
1157 |
168 | ||||||
|
YQS250-30 |
1197 |
180 | ||||||
|
YQS250-37 |
1267 |
187 | ||||||
|
YQS250-45 |
ф38-0.020
-0.33 |
9.5 |
7 |
33 |
10 |
1337 |
70 |
210 |
|
YQS250-55 |
1467 |
221 | ||||||
|
YQS250-63 |
1567 |
250 | ||||||
|
YQS250-75 |
1677 |
282 | ||||||
|
YQS250-90 |
1807 |
310 | ||||||
|
YQS250-100 |
1887 |
329 |