微信:grove_company
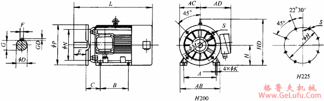
YTSP系列(IC416)外形尺寸图(IMB3) mail:china@gelufu.com
gelufu.com
机座带底脚,端盖无凸缘(IMB3、IMB6、IMB7、IMB8、IMV5、IMV6) (单位:mm)
mail:china@gelufu.com
|
机座号 |
A |
B |
C |
D |
E |
F×GD |
G |
K |
AB |
AC |
AD |
HD |
L |
|
90S |
140 |
100 |
56 |
24 |
50 |
8×7 |
20 |
10 |
180 |
85 |
155 |
190 |
400 |
|
90L |
140 |
125 |
56 |
24 |
50 |
8×7 |
20 |
10 |
180 |
85 |
155 |
190 |
430 |
|
100L |
160 |
140 |
63 |
28 |
60 |
8×7 |
24 |
12 |
205 |
103 |
180 |
245 |
465 |
|
112M |
190 |
140 |
70 |
28 |
60 |
8×7 |
24 |
12 |
245 |
115 |
190 |
265 |
490 |
|
132S |
216 |
140 |
89 |
38 |
80 |
10×8 |
33 |
12 |
280 |
135 |
210 |
315 |
525 |
|
132M |
216 |
178 |
89 |
38 |
80 |
10×8 |
33 |
12 |
280 |
135 |
210 |
315 |
575 |
|
160M |
254 |
210 |
108 |
42 |
110 |
12×8 |
37 |
15 |
330 |
163 |
255 |
385 |
645 |
|
160L |
254 |
254 |
108 |
42 |
110 |
12×8 |
37 |
15 |
330 |
163 |
255 |
385 |
690 |
|
180M |
279 |
241 |
121 |
48 |
110 |
14×9 |
42.5 |
15 |
355 |
180 |
285 |
430 |
810 |
|
180L |
279 |
279 |
121 |
48 |
110 |
14×9 |
42.5 |
15 |
355 |
180 |
285 |
430 |
850 |
|
200L |
318 |
305 |
133 |
55 |
110 |
16×10 |
49 |
19 |
395 |
200 |
310 |
475 |
890 |
|
225S |
356 |
286 |
149 |
60 |
140 |
18×11 |
53 |
19 |
435 |
225 |
345 |
530 |
930 |
|
225M |
356 |
311 |
149 |
60 |
140 |
18×11 |
53 |
19 |
435 |
225 |
345 |
530 |
970 |
|
250M |
406 |
349 |
168 |
65 |
140 |
18×11 |
58 |
24 |
490 |
248 |
385 |
575 |
1050 |
|
280S |
457 |
368 |
190 |
75 |
140 |
20×12 |
67.5 |
24 |
550 |
280 |
410 |
660 |
1100 |
|
280M |
457 |
419 |
190 |
75 |
140 |
20×12 |
67.5 |
24 |
550 |
280 |
410 |
660 |
1180 |
|
315S |
508 |
406 |
216 |
80 |
170 |
22×14 |
71 |
28 |
635 |
320 |
530 |
770 |
1300 |
|
315M |
508 |
457 |
216 |
80 |
170 |
22×14 |
71 |
28 |
635 |
320 |
530 |
770 |
1350 |
|
315L |
508 |
508 |
216 |
80 |
170 |
22×14 |
71 |
28 |
635 |
320 |
530 |
770 |
1450 |
|
355M |
610 |
560 |
254 |
95 |
170 |
22×14 |
86 |
28 |
730 |
355 |
355 |
1010 |
1650 |
|
355L |
610 |
630 |
254 |
95 |
170 |
22×14 |
86 |
28 |
730 |
355 |
355 |
1010 |
1750 |

|
机座号 |
D |
E |
F×GD |
G |
M |
N |
P |
S |
AC |
AD |
HE |
L |
|
90S |
24 |
50 |
8×7 |
20 |
165 |
130 |
200 |
4×ф12 |
88 |
155 |
195 |
400 |
|
90L |
24 |
50 |
8×7 |
20 |
165 |
130 |
200 |
4×ф12 |
88 |
155 |
195 |
430 |
|
100L |
28 |
60 |
8×7 |
24 |
215 |
180 |
250 |
4×ф15 |
103 |
180 |
265 |
465 |
|
112M |
28 |
60 |
8×7 |
24 |
215 |
180 |
250 |
4×ф15 |
115 |
190 |
265 |
490 |
|
132S |
38 |
80 |
10×8 |
33 |
265 |
230 |
300 |
4×ф15 |
135 |
210 |
315 |
525 |
|
132M |
38 |
80 |
10×8 |
33 |
265 |
230 |
300 |
4×ф15 |
135 |
210 |
315 |
575 |
|
160M |
42 |
110 |
12×8 |
37 |
300 |
250 |
350 |
4×ф19 |
163 |
255 |
385 |
645 |
|
160L |
42 |
110 |
12×8 |
37 |
300 |
250 |
350 |
4×ф19 |
163 |
255 |
385 |
690 |
|
180M |
48 |
110 |
14×9 |
42.5 |
300 |
250 |
350 |
4×ф19 |
180 |
285 |
430 |
810 |
|
180L |
48 |
110 |
14×9 |
42.5 |
300 |
250 |
350 |
4×ф19 |
180 |
285 |
430 |
850 |
|
200L |
55 |
110 |
16×10 |
49 |
350 |
300 |
400 |
4×ф19 |
200 |
310 |
480 |
890 |
|
225S |
60 |
140 |
18×11 |
53 |
400 |
350 |
450 |
8×ф19 |
225 |
345 |
535 |
930 |
|
225M |
60 |
140 |
18×11 |
53 |
400 |
350 |
450 |
8×ф19 |
225 |
345 |
535 |
970 |
|
250M |
65 |
140 |
18×11 |
58 |
500 |
450 |
550 |
8×ф19 |
248 |
385 |
620 |
1050 |
|
280S |
75 |
140 |
20×12 |
67.5 |
500 |
450 |
550 |
8×ф19 |
280 |
410 |
665 |
1100 |
|
280M |
75 |
140 |
20×12 |
67.5 |
500 |
450 |
550 |
8×ф19 |
280 |
410 |
665 |
1180 |

|
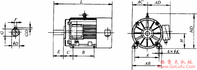
机座号 |
A |
B |
C |
D |
E |
F×GD |
G |
K |
M |
N |
P |
S |
AB |
AC |
AD |
HD |
L |
|
90S |
140 |
100 |
56 |
24 |
50 |
8×7 |
20 |
10 |
165 |
130 |
200 |
4×ф12 |
180 |
88 |
155 |
190 |
400 |
|
90L |
140 |
125 |
56 |
24 |
50 |
8×7 |
20 |
10 |
165 |
130 |
200 |
4×ф12 |
180 |
88 |
155 |
190 |
430 |
|
100L |
160 |
140 |
63 |
28 |
60 |
8×7 |
24 |
12 |
215 |
180 |
250 |
4×ф15 |
205 |
103 |
180 |
245 |
465 |
|
112M |
190 |
140 |
70 |
28 |
60 |
8×7 |
24 |
12 |
215 |
180 |
250 |
4×ф15 |
245 |
115 |
190 |
265 |
490 |
|
132S |
216 |
140 |
89 |
38 |
80 |
10×8 |
33 |
12 |
265 |
230 |
300 |
4×ф15 |
280 |
135 |
210 |
315 |
525 |
|
132M |
216 |
178 |
89 |
38 |
80 |
10×8 |
33 |
12 |
265 |
230 |
300 |
4×ф15 |
280 |
135 |
210 |
315 |
575 |
|
160M |
254 |
210 |
108 |
42 |
110 |
12×8 |
37 |
15 |
300 |
250 |
350 |
4×ф19 |
330 |
163 |
255 |
385 |
645 |
|
160L |
254 |
254 |
108 |
42 |
110 |
12×8 |
37 |
15 |
300 |
250 |
350 |
4×ф19 |
330 |
163 |
255 |
385 |
690 |
|
180M |
279 |
241 |
121 |
48 |
110 |
14×9 |
42.5 |
15 |
300 |
250 |
350 |
4×ф19 |
355 |
180 |
285 |
430 |
810 |
|
180L |
279 |
279 |
121 |
48 |
110 |
14×9 |
42.5 |
15 |
300 |
250 |
350 |
4×ф19 |
355 |
180 |
285 |
430 |
850 |
|
200L |
318 |
305 |
133 |
55 |
110 |
16×10 |
49 |
19 |
350 |
300 |
400 |
4×ф19 |
395 |
200 |
310 |
475 |
890 |
|
225S |
356 |
286 |
149 |
60 |
140 |
18×11 |
53 |
19 |
400 |
350 |
450 |
8×ф19 |
435 |
225 |
345 |
530 |
930 |
|
225M |
356 |
311 |
149 |
60 |
140 |
18×11 |
53 |
19 |
400 |
350 |
450 |
8×ф19 |
435 |
225 |
345 |
530 |
970 |
|
250M |
406 |
349 |
168 |
65 |
140 |
18×11 |
58 |
24 |
400 |
450 |
550 |
8×ф19 |
490 |
248 |
385 |
575 |
1050 |
|
280S |
457 |
368 |
190 |
75 |
140 |
20×12 |
67.5 |
24 |
500 |
450 |
550 |
8×ф19 |
550 |
280 |
410 |
660 |
1100 |
|
280M |
457 |
419 |
190 |
75 |
140 |
20×12 |
67.5 |
24 |
500 |
450 |
550 |
8×ф19 |
550 |
280 |
410 |
660 |
1180 |
|
315S |
508 |
406 |
216 |
80 |
170 |
22×14 |
71 |
28 |
600 |
550 |
660 |
8×ф24 |
635 |
320 |
530 |
770 |
1300 |
|
315M |
508 |
457 |
216 |
80 |
170 |
22×14 |
71 |
28 |
600 |
550 |
660 |
8×ф24 |
635 |
320 |
530 |
770 |
1350 |
|
315L |
508 |
508 |
216 |
80 |
170 |
22×14 |
71 |
28 |
600 |
550 |
660 |
8×ф24 |
635 |
320 |
530 |
770 |
1450 |
|
355M |
610 |
560 |
254 |
95 |
170 |
25×14 |
86 |
28 |
740 |
680 |
800 |
8×ф24 |
730 |
355 |
355 |
1010 |
1650 |
|
355L |
610 |
630 |
254 |
95 |
170 |
25×14 |
86 |
28 |
740 |
680 |
80 |
8×ф24 |
730 |
355 |
355 |
1010 |
1750 |