电话:0312-6784766
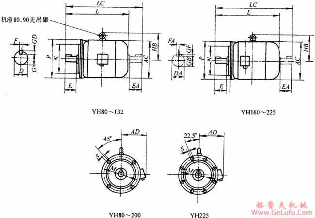
YH系列电动机外形及安装尺寸图(B3) QQ:20275456
gelufu.com.cn
|
中心高 |
标准
机座号 |
A |
AA |
AB |
AC |
AD |
B |
BB |
C |
H |
HC |
HD |
K |
L |
LC |
|
80 |
80-19 |
125 |
37 |
165 |
165 |
150 |
100 |
135 |
50 |
80 |
170 |
245 |
10
12 |
285 |
332 |
|
90S |
90S24 |
140 |
180 |
175 |
155 |
56 |
90 |
190 |
310 |
368 | |||||
|
90L |
90L-24 |
42 |
125 |
160 |
― |
335 |
393 | ||||||||
|
100L |
100L28 |
160 |
205 |
205 |
180 |
140 |
180 |
63 |
100 |
380 |
445 | ||||
|
112M |
112M28 |
190 |
52 |
245 |
230 |
190 |
185 |
70 |
112 |
265 |
400 |
463 | |||
|
132S |
132S38 |
216 |
63 |
280 |
270 |
210 |
205 |
89 |
132 |
315 |
475 |
559 | |||
|
132M |
132M38 |
178 |
243 |
515 |
597 | ||||||||||
|
160M |
160M42 |
254 |
73 |
330 |
335 |
255 |
210 |
275 |
108 |
160 |
385 |
15 |
600 |
717 | |
|
160L |
160L42 |
254 |
320 |
645 |
761 | ||||||||||
|
180M |
180M48 |
279 |
355 |
360 |
285 |
241 |
315 |
121 |
180 |
430 |
670 |
783 | |||
|
180L |
180L48 |
279 |
353 |
710 |
821 | ||||||||||
|
200L |
200L55 |
318 |
395 |
400 |
310 |
305 |
378 |
133 |
200 |
475 |
19 |
775 |
881 | ||
|
225S |
225S60 |
356 |
83 |
435 |
450 |
345 |
286 |
382 |
149 |
225 |
530 |
820 |
934 | ||
|
225M |
225M60 |
311 |
407 |
845 |
959 | ||||||||||
|
250M |
250M65 |
406 |
88 |
490 |
495 |
385 |
349 |
458 |
168 |
250 |
575 |
24 |
930 |
1036 | |
|
280S |
280S75 |
457 |
93 |
550 |
555 |
410 |
368 |
535 |
190 |
280 |
640 |
1000 |
1147 | ||
|
280M |
280M75 |
419 |
586 |
1050 |
1198 |
WX:grove_company
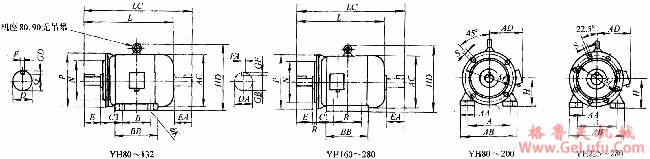
YH系列电动机外形及安装尺寸图(B35) 格鲁夫
格鲁夫减速机
|
中心高 |
标准机座号 |
A |
AA |
AB |
AC |
AD |
B |
BB |
C1 |
H |
HD |
K |
L |
LC |
M |
N |
P |
S |
|
80 |
80-19F165 |
125 |
37 |
165 |
165 |
150 |
100 |
135 |
50 |
80 |
― |
10 |
285 |
332 |
165 |
130 |
200 |
4×ф12 |
|
90S |
90S24F165 |
140 |
180 |
175 |
155 |
56 |
90 |
310 |
368 | |||||||||
|
90L |
90L24F165 |
125 |
160 |
335 |
393 | |||||||||||||
|
100L |
100L28F215 |
160 |
42 |
205 |
205 |
180 |
140 |
180 |
63 |
100 |
245 |
12 |
380 |
445 |
215 |
180 |
250 |
4×ф15 |
|
112M |
112M28F215 |
190 |
52 |
245 |
230 |
190 |
185 |
70 |
112 |
265 |
400 |
463 | ||||||
|
132S |
132S38F265 |
216 |
63 |
280 |
270 |
210 |
205 |
89 |
132 |
315 |
475 |
559 |
265 |
230 |
300 | |||
|
132M |
132M38F265 |
178 |
243 |
515 |
597 | |||||||||||||
|
160M |
160M42F300 |
254 |
73 |
330 |
325 |
255 |
210 |
275 |
108 |
160 |
385 |
15 |
600 |
717 |
300 |
250 |
350 |
4×ф19 |
|
160L |
160L42F300 |
254 |
320 |
645 |
761 | |||||||||||||
|
180M |
180M48F300 |
279 |
355 |
360 |
285
|
241 |
315 |
121 |
180 |
430 |
670 |
783 | ||||||
|
180L |
180L48F300 |
279 |
353 |
710 |
821 | |||||||||||||
|
200L |
200L55F350 |
318 |
395 |
400 |
310 |
305 |
378 |
133 |
200 |
475 |
19 |
775 |
881 |
350 |
300 |
400 | ||
|
225S |
225S60F400 |
356 |
83 |
435 |
450 |
345 |
286 |
382 |
149 |
225 |
530 |
820 |
934 |
400 |
350 |
450 |
8×ф19 | |
|
225M |
225M60F500 |
311 |
407 |
845 |
959 | |||||||||||||
|
250M |
250M65F500 |
406 |
88 |
490 |
495 |
385 |
349 |
458 |
168 |
250 |
575 |
24 |
930 |
1036 |
500 |
450 |
550
| |
|
280S |
280S75F500 |
457 |
93 |
550 |
555 |
410 |
368 |
535 |
190 |
280 |
640 |
1000 |
1147 | |||||
|
280M |
280M75F500 |
419 |
586 |
1050 |
1198 |
YH系列电动机B3、B35安装的轴伸尺寸与第二轴伸尺寸表
手机:13331225020
|
中心高 |
标准机座号 |
D |
DA |
E |
EA |
F |
FA |
G |
GB |
GD |
GF | |
|
80 |
80-19 |
80-19F165 |
19 |
19 |
40 |
40 |
6 |
6 |
15.5 |
15.5 |
6 |
6 |
|
90S |
90S24 |
90S24F165 |
24 |
24 |
50 |
50 |
8 |
8 |
20 |
20 |
7 |
|
|
90L |
90L24 |
90L24F165 | ||||||||||
|
100L |
100L28 |
100L28F215 |
28 |
28 |
60 |
60 |
24 |
24 | ||||
|
112M |
112M28 |
112M28F215 | ||||||||||
|
132S |
132S38 |
132S38F265 |
38 |
38 |
80 |
80 |
10 |
10 |
33 |
33 |
8 |
|
|
132M |
132M38 |
132M38F265 | ||||||||||
|
160M |
160M42 |
160M42F300 |
42 |
42 |
110 |
110 |
12 |
12 |
37 |
37 | ||
|
160L |
160L42 |
160L42F300 | ||||||||||
|
180M |
180M48 |
180M48F300 |
48 |
48 |
14 |
14 |
42.5 |
42.5 |
9 |
9 | ||
|
180L |
180L48 |
180L48F300 | ||||||||||
|
200L |
200L55 |
200L55F350 |
55 |
55 |
16 |
16 |
49 |
49 |
10 |
10 | ||
|
225S |
225S60 |
225S60F400 |
60 |
140 |
18 |
53 |
11 | |||||
|
225M |
225M65 |
225M60F400 | ||||||||||
|
250M |
250M65 |
250M65F500 |
65 |
55 |
58 | |||||||
|
280S |
280S75 |
280S75F500 |
75 |
60 |
140 |
20 |
18 |
67.5 |
53 |
12 |
11 | |
|
280M |
280M75 |
280M75F500 | ||||||||||
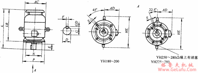
YH系列电动机外形及安装尺寸图(B5)

|
中心高 |
标准机座号 |
AC |
AD |
HB |
L |
LC |
M |
N |
P |
S |
|
80 |
19F165 |
165 |
150 |
|
285 |
332 |
165 |
130 |
200 |
4×ф12 |
|
90S |
24F165 |
175 |
155 |
|
310 |
368 | ||||
|
90L |
335 |
393 | ||||||||
|
100L |
28F215 |
205 |
180 |
145 |
380 |
445 |
215 |
180 |
250 |
4×ф15 |
|
112M |
230 |
190 |
160 |
400 |
463 | |||||
|
132S |
38F265 |
270 |
210 |
178 |
475 |
559 |
265 |
230 |
300 | |
|
132M |
515 |
597 | ||||||||
|
160M |
42F300 |
325 |
255 |
215 |
600 |
717 |
300 |
250 |
350 |
4×ф19 |
|
160L |
645 |
761 | ||||||||
|
180M |
48F300 |
360 |
285 |
250 |
670 |
783 | ||||
|
180L |
710 |
821 | ||||||||
|
200L |
55F350 |
400 |
310 |
280 |
775 |
881 |
350 |
300 |
400 | |
|
225S |
60F400 |
450 |
345 |
298 |
820 |
934 |
400 |
350 |
450 | |
|
225M |
845 |
959 |
|
中心高 |
标准机座号 |
D |
DA |
E |
EA |
F |
FA |
G |
GB |
GD |
GF |
|
80 |
19F165 |
19 |
19 |
40 |
40 |
6 |
6 |
15.5 |
15.5 |
|
|
|
90S
90L |
24F165 |
24 |
24 |
50 |
50 |
8 |
8 |
20 |
20 |
7 |
7 |
|
100L
112M |
28F215 |
28 |
28 |
60 |
60 |
24 |
24 | ||||
|
132S
132M |
38D265 |
38 |
38 |
80 |
80 |
10 |
10 |
33 |
33 |
8 |
8 |
|
160M
160L |
42F300 |
42 |
42 |
110 |
110 |
12 |
12 |
,
37 |
37 | ||
|
180M
180L |
48F300 |
48 |
48 |
14 |
14 |
42.5 |
42.5 |
9 |
9 | ||
|
200L
|
55F350 |
55 |
55 |
16 |
16 |
49 |
49 |
10 |
10 | ||
|
225S
225M |
60F400 |
60 |
60 |
140 |
18 |
53 |
11 |

|
中心高 |
标准机座号 |
AC |
AD |
L |
LB |
D |
E |
F |
G |
GD |
HE |
M |
N |
P |
S |
|
180M |
48F300 |
360 |
285 |
730 |
620 |
48 |
110 |
14 |
42.5 |
9 |
500 |
300 |
250 |
350 |
4×ф19 |
|
180L |
770 |
660 | |||||||||||||
|
200L |
55F350 |
400 |
310 |
850 |
740 |
55 |
16 |
49 |
10 |
550 |
350 |
300 |
400 | ||
|
225S |
60F400 |
450 |
345 |
910 |
770 |
60 |
140 |
18 |
53 |
11 |
610 |
400 |
350 |
450 |
8×ф19 |
|
225M |
935 |
795 | |||||||||||||
|
250M |
65F500 |
495 |
385 |
1035 |
895 |
65 |
58 |
650 |
500 |
450 |
550 | ||||
|
280S |
75F500 |
555 |
410 |
1120 |
980 |
75 |
20 |
67.5
|
12 |
720 | |||||
|
280M |
1170 |
1030 |