您好,欢迎进入格鲁夫机械设备制造有限公司官网!
减速机|丝杆升降机|减速电机|行业专用减速机|减速机配件|减速机厂|丝杆升降机厂|转向器厂

联系我们

邮箱:china@gelufu.com
电话:0312-6784766
在线咨询

蜗轮减速机

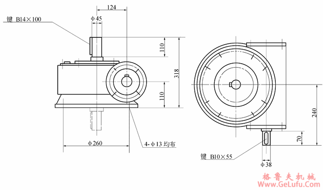
QT16A-7型塔机用蜗轮减速机外形及安装尺寸

发布日期:2023-12-28 18:28 浏览次数:

QT16A-7型塔机用蜗轮减速机外形及安装尺寸(图1)蜗轮减速机外形及安装尺寸">

QQ:47447450

QT16A-7型蜗轮减速机概述与外观

QT16A-7型蜗轮减速机是专为QT系列塔式起重机设计的关键传动部件,属于QT型蜗轮减速机家族中的重要一员。该型号减速机采用经典的蜗轮蜗杆传动结构,以其结构紧凑、传动比大、运行平稳、自锁性能可靠等突出特点,广泛应用于塔机回转机构中,是实现重载精准、平稳回转的核心保障。 格鲁夫机械

从外观上看,QT16A-7型减速机设计坚固,壳体通常采用高强度铸铁铸造,具有良好的刚性、抗震性和散热性能。其外形呈规整的箱体结构,表面经过防锈处理,以适应建筑工地复杂恶劣的工作环境。输入轴与输出轴的布置方式充分考虑了在塔机上的集成空间,使得整体安装更为便捷。作为一款成熟的蜗轮蜗杆减速机,其内部蜗杆通常采用优质合金钢经淬硬磨削而成,蜗轮则采用耐磨青铜材质,确保了传动副的高效与长寿命。

www.gelufu.com.cn

减速器外形及安装尺寸详解

准确的外形及安装尺寸是确保QT16A-7型蜗轮减速机与塔机主机完美匹配、安全可靠运行的前提。这些关键尺寸主要包括减速机的总长、总宽、总高,输入轴与输出轴的中心高、轴径、键槽尺寸,以及底座安装孔的孔距、孔径和分布圆直径。 传真:0312-6784733

具体而言,安装时需要重点关注以下几个核心尺寸:首先是安装法兰的定位止口直径和高度,它决定了减速机与相邻部件的同心度和轴向定位精度;其次是底座安装孔的位置度,必须使用符合规格的高强度螺栓进行紧固,并按照对角顺序逐步拧紧至规定扭矩,以确保受力均匀,避免运行时因振动导致松动。输入轴端通常通过联轴器与电机连接,其轴伸尺寸和键槽公差必须与驱动电机严格对应,任何配合不当都可能引起异常磨损或断轴风险。输出轴则直接或通过法兰与塔机回转大齿圈驱动小齿轮相连,其尺寸精度和形位公差直接影响到齿轮啮合质量与传动平稳性。 www.gelufu.com

在实际安装过程中,除了严格按照尺寸图纸施工外,还需注意结合面的清洁、找平对中以及润滑油的加注。QT型蜗轮减速机通常要求加注特定型号的极压齿轮油至油标规定位置。正确的安装不仅是机械装配,更是保障这一精密蜗轮蜗杆减速机发挥性能、延长使用寿命的关键步骤。建议用户在安装前仔细阅读产品说明书,核对所有外形及安装尺寸,必要时可咨询生产厂家技术人员,以确保万无一失。 Mobile:13331225020

QT16A-7型塔机用蜗轮减速机外形及安装尺寸(图2) QQ:47447450

Copyright © 2023-2025 格鲁夫 版权所有 备案号:冀ICP备19023093号-2

电子营业执照图标 电子营业执照
选择语言
Hello,欢迎来咨询~