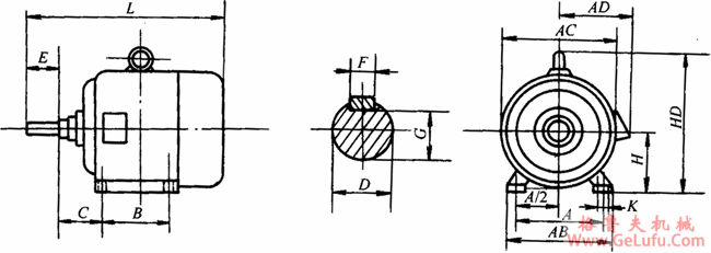
YDT系列机风机水泵专用变极多速异步电动机外形尺寸(H80~315mm)
发布日期:2023-12-28 21:07
浏览次数:
gelufu.com
YDT系列外形尺寸图(B3)
电话:0312-6784766
格鲁夫机械
|
中心高 |
极 数 |
A |
B |
C |
D |
E |
F |
G |
H |
K |
AB |
AC |
AD |
HD |
L |
|
132M |
2、4、6、8 |
216 |
140 |
89 |
38 |
80 |
10 |
33 |
132 |
ф12 |
280 |
270 |
210 |
315 |
475 |
|
132M |
2、4、6、8 |
216 |
178 |
89 |
38 |
80 |
10 |
33 |
132 |
ф12 |
280 |
270 |
210 |
315 |
515 |
|
160M |
2、4、6、8 |
254 |
210 |
108 |
42 |
110 |
12 |
37 |
160 |
ф15 |
330 |
325 |
255 |
385 |
600 |
|
160L |
2、4、6、8 |
254 |
254 |
108 |
42 |
110 |
12 |
37 |
160 |
ф15 |
330 |
325 |
255 |
645 |
645 |
|
180M |
2、4 |
279 |
241 |
121 |
48 |
110 |
14 |
42.5 |
180 |
ф15 |
355 |
360 |
285 |
430 |
670 |
|
180L |
4、6、8 |
279 |
279 |
121 |
48 |
110 |
14 |
42.5 |
180 |
ф15 |
355 |
360 |
285 |
710 |
710 |
|
200L |
2、4、6、8 |
318 |
305 |
133 |
55 |
140 |
16 |
49 |
200 |
ф19 |
395 |
400 |
310 |
475 |
775 |
|
225S |
4、8 |
356 |
286 |
149 |
60 |
110 |
18 |
53 |
|
435 |
450 |
385 |
530 |
820 |
|
225M |
2 |
311 |
55 |
140 |
16 |
49 |
225 |
815 |
|
4、6、8 |
60 |
18 |
53 |
845 |
|
250M |
2 |
406 |
349 |
168 |
55 |
18 |
53 |
250 |
ф24 |
490 |
495 |
385 |
575 |
930 |
|
4、6、8 |
60 |
18 |
58 |
|
280S |
2 |
457 |
368 |
190 |
18 |
280 |
550 |
555 |
410 |
640 |
1000 |
|
4、6、8 |
|
75 |
20 |
67.5 |
|
280M |
2 |
419 |
65 |
18 |
58 |
1050 |
|
4、6、8 |
|
75 |
20 |
67.5 |
www.gelufu.com