传真:0312-6784733
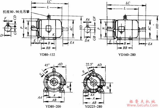
YD系列电动机(B3)外形尺寸图
gelufu.com.cn
格鲁夫机械
|
中心高 |
A |
AA |
AB |
AC |
AD |
B |
BB |
C |
H |
HC |
HD |
K |
L |
LC |
|
80 |
125 |
37 |
165 |
165 |
150 |
100 |
135 |
50 |
80 |
170 |
― |
10 |
285 |
332 |
|
90S |
140 |
180 |
175 |
155 |
56 |
90 |
190 |
310 |
368 | |||||
|
90L |
125 |
160 |
335 |
393 | ||||||||||
|
100L |
160 |
42 |
205 |
205 |
180 |
140 |
180 |
63 |
100 |
― |
245 |
12 |
380 |
445 |
|
112M |
190 |
52 |
245 |
230 |
190 |
185 |
70 |
112 |
265 |
400 |
463 | |||
|
132S |
216 |
63 |
280 |
270 |
210 |
205 |
89 |
132 |
315 |
475 |
559 | |||
|
132M |
178 |
243 |
515 |
597 | ||||||||||
|
160M |
254 |
73 |
330 |
325 |
255 |
210 |
275 |
108 |
160 |
385 |
15 |
600 |
717 | |
|
160L |
254 |
320 |
645 |
761 | ||||||||||
|
180M |
279 |
355 |
360 |
285 |
241 |
315 |
121 |
180 |
430 |
670 |
783 | |||
|
180L |
279 |
353 |
710 |
821 | ||||||||||
|
200L |
318 |
395 |
400 |
310 |
305 |
378 |
133 |
200 |
475 |
19 |
775 |
881 | ||
|
225S |
356 |
83 |
435 |
450 |
345 |
286 |
382 |
149 |
225 |
530 |
820 |
934 | ||
|
225M |
311 |
407 |
845 |
959 | ||||||||||
|
250M |
406 |
88 |
490 |
495 |
385 |
349 |
458 |
168 |
250 |
575 |
24 |
930 |
1036 | |
|
280S |
457 |
93 |
550 |
555 |
410 |
368 |
535 |
190 |
280 |
640 |
1000 |
1147 | ||
|
280M |
419 |
586 |
1050 |
1198 |
www.gelufu.com

|
中心高 |
AC |
AD |
HB |
L |
LC |
M |
N |
P |
S |
|
80 |
165 |
150 |
― |
285 |
332 |
165 |
130 |
200 |
4×ф12 |
|
90S |
175 |
155 |
― |
310 |
368 |
200 |
4×ф12 | ||
|
90L |
335 |
393 | |||||||
|
100L |
205 |
180 |
145 |
380 |
445 |
215 |
180 |
250 |
4×ф15 |
|
112M |
230 |
190 |
160 |
400 |
463 | ||||
|
132S |
270 |
210 |
178 |
475 |
559 |
265 |
230 |
300 |
4×ф15 |
|
132M |
515 |
597 | |||||||
|
160M |
325 |
255 |
215 |
600 |
717 |
300 |
250 |
350 |
4×ф19 |
|
160L |
645 |
761 | |||||||
|
180M |
360 |
285 |
250 |
670 |
783 |
300 |
250 |
350 |
4×ф19 |
|
180L |
710 |
821 | |||||||
|
200L |
400 |
310 |
280 |
775 |
881 |
350 |
300 |
400 |
4×ф19 |
|
225S |
450 |
345 |
298 |
820 |
934 |
400 |
350 |
450 |
8×ф19 |
|
225M |
845 |
959 |

|
中心高 |
A |
AA |
AB |
AC |
AD |
B |
BB |
C |
H |
HD |
K |
L |
LC |
M |
N |
P |
S |
|
80 |
125 |
37 |
165 |
150 |
150 |
100 |
135 |
50 |
80 |
― |
10 |
285 |
332 |
165 |
130 |
200 |
4×ф12 |
|
90S |
140 |
180
|
175 |
155 |
135 |
56 |
90 |
310 |
368 | ||||||||
|
90L |
125 |
160 |
335 |
393 | |||||||||||||
|
100L |
160 |
42 |
205 |
205 |
180 |
140 |
180 |
63 |
100 |
245 |
12 |
380 |
445 |
215 |
180 |
250 |
4×ф15 |
|
112M |
190 |
52 |
245 |
245 |
190 |
185 |
70 |
112 |
265 |
400 |
463 | ||||||
|
132S |
216 |
63 |
280 |
280 |
210 |
205 |
89 |
132 |
315 |
475 |
559 |
265 |
230 |
300 | |||
|
132M |
178 |
243 |
515 |
595 | |||||||||||||
|
160M |
254 |
73 |
330 |
330 |
255 |
210 |
275 |
108 |
160 |
385 |
15 |
600 |
717 |
300 |
250 |
350 |
4×ф19 |
|
160L |
254 |
320 |
645 |
761 | |||||||||||||
|
180M |
279 |
73 |
355
|
355 |
285 |
241 |
315 |
121 |
180 |
430 |
670 |
783 | |||||
|
180L |
279 |
353 |
710 |
821 | |||||||||||||
|
200L |
318 |
73 |
395 |
395 |
310 |
305 |
378 |
133 |
200 |
475 |
19 |
775 |
881 |
350 |
300 |
400 | |
|
225s |
356 |
83 |
435
|
435 |
345 |
286 |
382 |
149 |
225 |
530 |
820 |
934 |
400 |
350 |
450 |
8×ф12 | |
|
225M |
311 |
407 |
845 |
959 | |||||||||||||
|
250M |
406 |
88 |
490 |
490 |
385 |
349 |
458 |
168 |
250 |
575 |
24 |
930 |
1036 |
500 |
450 |
550 | |
|
280S |
457 |
93 |
550 |
550 |
410 |
368 |
535 |
190 |
280 |
640 |
1000 |
1147 | |||||
|
280M |
419 |
586 |
1050 |
1198 |

|
中心高 |
AC |
AD |
L |
D |
E |
F |
G |
GD |
HE |
M |
N |
P |
S |
|
180M |
360 |
285 |
730 |
48 |
110 |
14 |
42.5 |
9 |
500 |
300 |
250 |
350 |
4×ф19 |
|
180L |
770 | ||||||||||||
|
200L |
400 |
310 |
850 |
55 |
16 |
49 |
10 |
550 |
350 |
300 |
400 | ||
|
225S |
450 |
345 |
910 |
60 |
140 |
18 |
53 |
11 |
610 |
400 |
350 |
450 |
8×ф19 |
|
225M |
935 | ||||||||||||
|
250M |
495 |
385 |
1035 |
65 |
58 |
650 |
500 |
450 |
550 | ||||
|
280S |
555 |
410 |
1120 |
75 |
20 |
67.5 |
12 |
720 | |||||
|
280M |
1170 |
|
中心高 |
D |
DA |
E |
EA |
F |
FA |
G |
GB |
GD |
GF |
|
80 |
19 |
19 |
40 |
40 |
6 |
6 |
15.5 |
15.5 |
6 |
6 |
|
90S
90L |
24 |
24 |
50 |
50 |
8 |
8 |
20 |
20 |
7 |
7 |
|
100L
112M |
28 |
28 |
60 |
60 |
24 |
24 | ||||
|
132S
132M |
38 |
38 |
80 |
80 |
10 |
10 |
33 |
33 |
8 |
8 |
|
160M
160L |
42 |
42 |
110 |
110 |
12 |
12 |
37 |
37 | ||
|
180M
180L |
48 |
48 |
110 |
110 |
14 |
14 |
42.5 |
42.5 |
9 |
9 |
|
200L |
55 |
55 |
110 |
110 |
16 |
16 |
49 |
49 |
10 |
10 |
|
225S
225M |
60 |
140 |
18 |
53 |
11 | |||||
|
250M |
65 |
58 | ||||||||
|
280S
280M |
75 |
60 |
140 |
140 |
20 |
18 |
67.5 |
53 |
12 |
11 |